Запчасти Case AQ-4HK1XASS01 (10.250.AD[01]) - TURBOCHARGER, SUPPLY, LINE (10) - ENGINE

Схема запчастей Case AQ-4HK1XASS01 - (10.250.AD[01]) - TURBOCHARGER, SUPPLY, LINE (10) - ENGINE
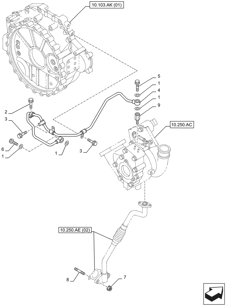
10.250.ae (02)
4
3
1
6
1
5
3
1
8
2
1
9
7
10.250.ac
10.103.ak (01)
FIT
1:1
100%

Артикул

Название

Примечание

Количество

1

76552228

SEAL

, Serial Range: -NGS7H1297

4шт.

CX210D LC, LR (NA) Models Only

1шт.

1

76552228

SEAL

, Serial Range: -NGS7M1169

4шт.

CX250D LC, LR (NA) Models Only

1шт.

1

76552228

SEAL

, Start Serial: NGS7H1298

5шт.

CX210D LC, LR (NA) Models Only

1шт.

1

76552228

SEAL

, Start Serial: NGS7M1170

5шт.

CX250D LC, LR (NA) Models Only

1шт.

1

76552228

SEAL

5шт.

CX210D NLC (NA) Model Only

1шт.

2

87595866

BOLT

1шт.

3

87596423

BOLT

3шт.

4

84389454

SUCTION PIPE

, Serial Range: -NGS7H1297

1шт.

CX210D LC, LR (NA) Models Only

1шт.

4

84389454

SUCTION PIPE

, Serial Range: -NGS7M1169

1шт.

CX250D LC, LR (NA) Models Only

1шт.

4

48003474

PIPE

, Start Serial: NGS7H1298

1шт.

CX210D LC, LR (NA) Models Only

1шт.

4

48003474

PIPE

, Start Serial: NGS7M1170

1шт.

CX250D LC, LR (NA) Models Only

1шт.

4

48003474

PIPE

1шт.

CX210D NLC (NA) Model Only

1шт.

5

289604A1

BOLT

1шт.

6

84388905

BOLT

1шт.

7

87595271

NUT

2шт.

8

87603352

STUD

2шт.

9

84388897

, Start Serial: NGS7H1298

1шт.

CX210D LC, LR (NA) Models Only

1шт.

9

84388897

, Start Serial: NGS7M1170

1шт.

CX250D LC, LR (NA) Models Only

1шт.

9

84388897

1шт.

CX210D NLC (NA) Model Only

1шт.

Выбрано товаров: 32