Качественные детали и логистика
Оригинальные и аналоговые запчасти с доставкой по России, Казахстану и Беларуси
©2022 PartSell ООО "Система" ИНН 2463123282 ОГРН 1212400004838
Центральный офис: г. Красноярск, Академика Киренского, д.87, пом.4
Телефон: 8 (800) 777-65-74 Email: zakaz@partsell.ru
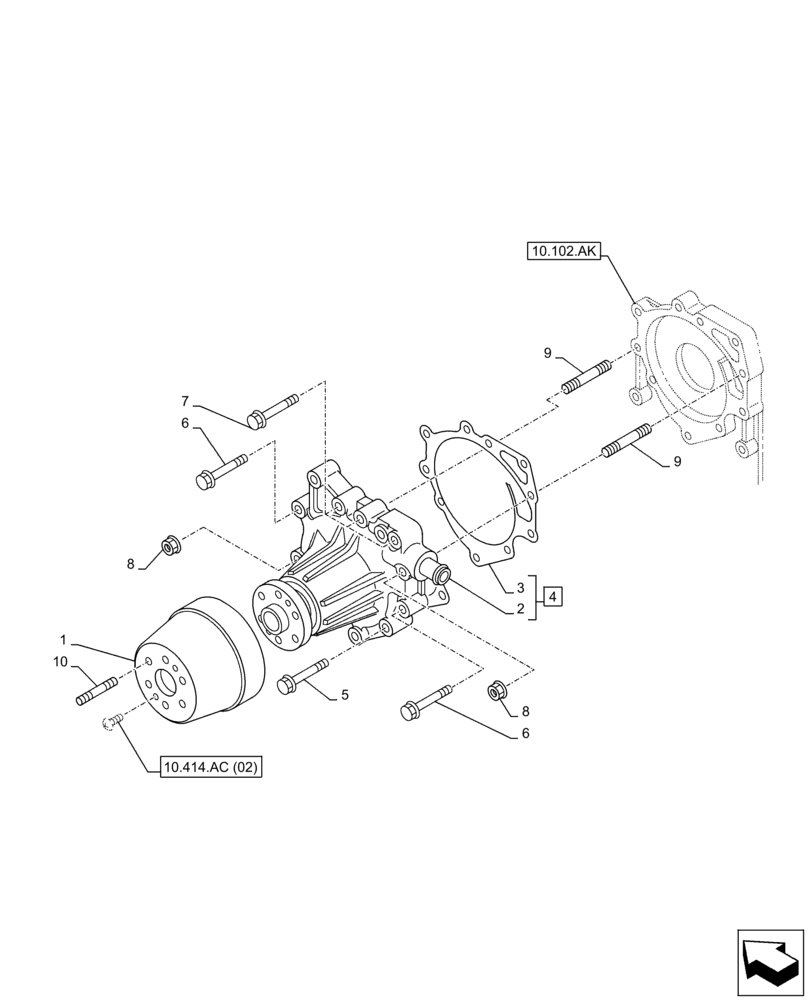
(10.400.BB[01]) - WATER PUMP & PULLEY
№
Артикул
Название
Примечание
Количество
1
84389444
PULLEY
1шт.
2
NSS
NOT SOLD SEPARAT
Water Pump, Incl in 4
3
84389448
GASKET
4
84387963
WATER PUMP
ASSY, Incl 2 - 3
5
87596512
BOLT
2шт.
6
87596455
3шт.
7
87596456
8
87595271
NUT
9
87595444
STUD
10
84545015
6шт.
Выбрано товаров: 0