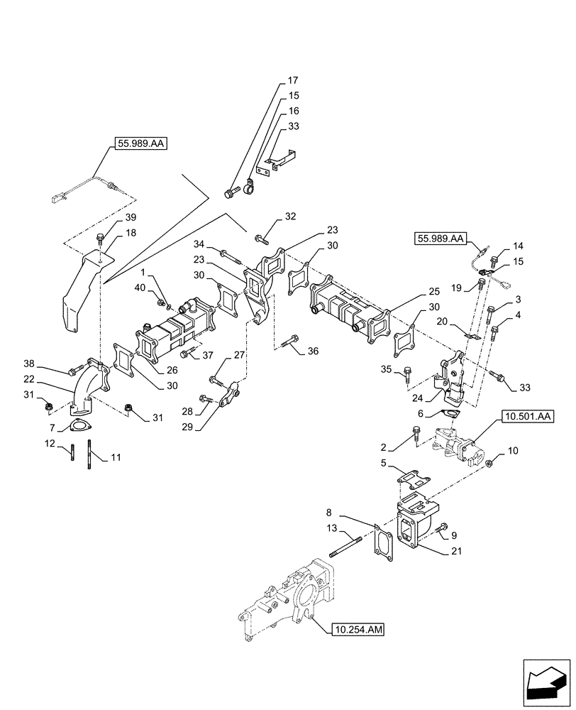
Запчасти Case AQ-4HK1XASS01 (10.501.AC) - EXHAUST GAS RECIRCULATION, LINE (10) - ENGINE

Схема запчастей Case AQ-4HK1XASS01 - (10.501.AC) - EXHAUST GAS RECIRCULATION, LINE (10) - ENGINE
10.501.aa
1
15
10
20
37
15
31
30
17
18
22
14
19
9
39
6
36
4
21
11
33
30
2
25
27
3
8
23
5
16
26
33
13
38
40
24
28
30
29
34
35
30
14
12
31
32
23
7
10.254.am
55.989.aa
55.989.aa
FIT
1:1
100%

Артикул

Название

Примечание

Количество

1

76552228

SEAL

1шт.

2

87595323

BOLT

4шт.

3

87595839

BOLT

2шт.

4

87595463

BOLT

5шт.

5

87379110

GASKET

1шт.

6

87379116

GASKET

1шт.

7

84389108

GASKET

1шт.

8

87378551

GASKET

1шт.

9

87596004

BOLT

2шт.

10

87596885

NUT

2шт.

11

87730377

STUD

1шт.

12

84388007

STUD

2шт.

13

87530746

STUD

2шт.

14

87595866

BOLT

1шт.

15

87395504

CLIP

3шт.

16

47703031

BRACKET

1шт.

17

87597950

BOLT

1шт.

18

47703310

PROTECTOR

1шт.

19

87595868

BOLT

1шт.

20

47703344

BRACKET

1шт.

21

84388898

DUCT

1шт.

22

47703268

DUCT

1шт.

23

84389392

DUCT

1шт.

24

47703275

DUCT

1шт.

25

84389419

COOLER ASSY.

1шт.

26

84388903

COOLER ASSY.

1шт.

27

84387674

BOLT

1шт.

28

87597700

BOLT

1шт.

29

84389357

BRACKET, SUPPORTING

1шт.

30

47641335

GASKET

4шт.

31

288804A1

NUT

3шт.

32

87596042

BOLT

2шт.

33

47703471

BRACKET

1шт.

34

87598860

BOLT

2шт.

35

87596637

BOLT

1шт.

36

87596456

BOLT

2шт.

37

87386262

BOLT

4шт.

38

84389057

BOLT

4шт.

39

84388009

BOLT

4шт.

40

87729984

PLUG

1шт.

Выбрано товаров: 40