Запчасти Case AQ-4HK1XASS01 (10.000.00[01]) - SECTION INDEX - ENGINE (10) - ENGINE

Схема запчастей Case AQ-4HK1XASS01 - (10.000.00[01]) - SECTION INDEX - ENGINE (10) - ENGINE
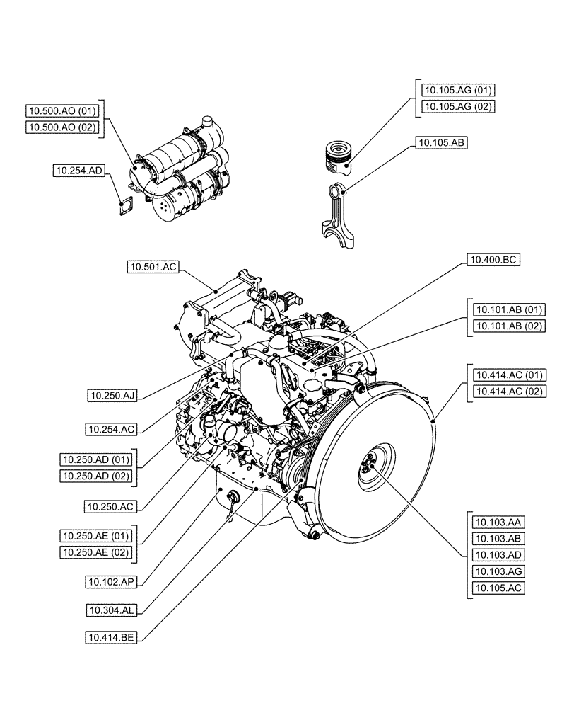
10.101.ab (01)
10.254.ad
10.103.ab
10.103.ad
10.105.ac
10.103.ag
10.250.ae (01)
10.500.ao (02)
10.250.ae (02)
10.400.bc
10.250.ad (02)
10.250.ac
10.101.ab (02)
10.250.aj
10.414.ac (01)
10.105.ag (02)
10.102.ap
10.105.ag (01)
10.254.ac
10.103.aa
10.501.ac
10.414.be
10.250.ad (01)
10.105.ab
10.500.ao (01)
10.414.ac (02)
10.304.al
FIT
1:1
100%