Запчасти Case AQ-6HK1XASS01-02 (10.001.AD[04]) - ENGINE, GASKET, SET (10) - ENGINE

Схема запчастей Case AQ-6HK1XASS01-02 - (10.001.AD[04]) - ENGINE, GASKET, SET (10) - ENGINE
10.218.aq (01)
1
1
1
1
1
1
8
1
10.218.aq (01)
10
10.103.ak (02)
14
10.001.ab (01)
1
10.102.ap
9
1
10.304.al
1
1
1
5
3
7
1
10.218.aq (01)
13
10.218.aq (01)
1
12
6
10.102.ak
4
10.400.bc (01)
10.400.bb (01)
1
2
11
10.001.ab (01)
FIT
1:1
100%

Артикул

Название

Примечание

Количество

1

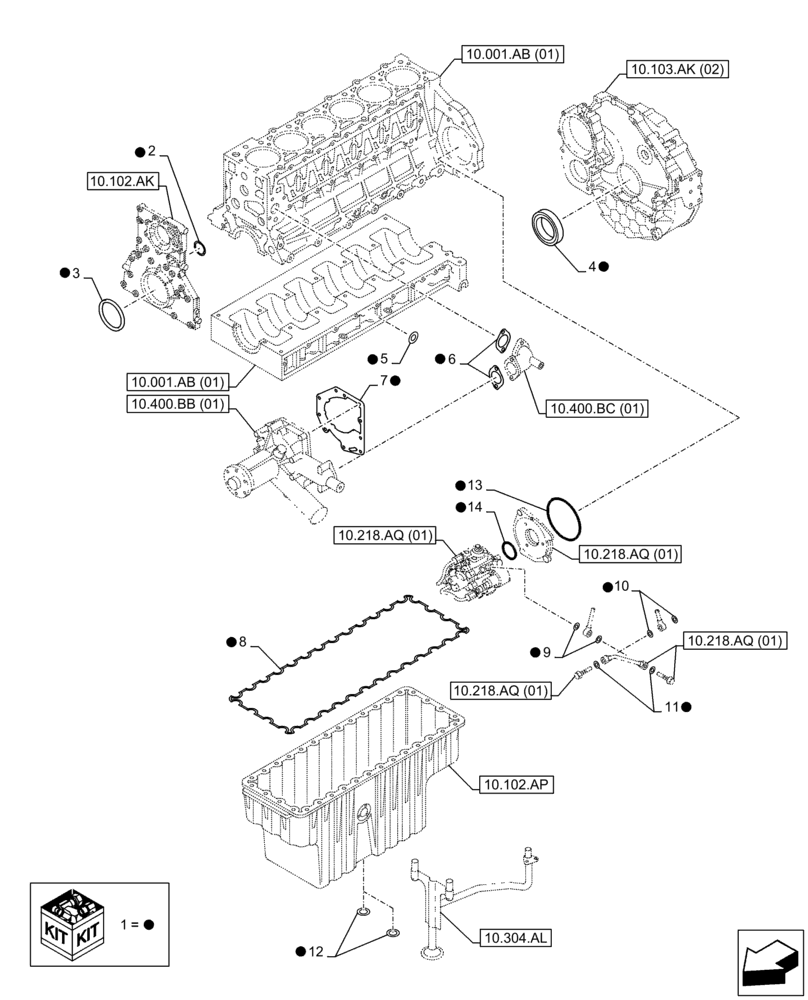
48004898

ENGINE OVERHAUL KIT

ASSY, Gasket Set, Incl 2 - 14

1шт.

2

NSS

NOT SOLD SEPARAT

Gasket, Incl in 1

1шт.

3

NSS

NOT SOLD SEPARAT

Gasket, Incl in 1

1шт.

4

NSS

NOT SOLD SEPARAT

Gasket, Incl in 1

1шт.

5

NSS

NOT SOLD SEPARAT

Gasket, Incl in 1

1шт.

6

NSS

NOT SOLD SEPARAT

Gasket, Incl in 1

1шт.

7

NSS

NOT SOLD SEPARAT

Gasket, Incl in 1

1шт.

8

NSS

NOT SOLD SEPARAT

Gasket, Incl in 1

1шт.

9

NSS

NOT SOLD SEPARAT

Gasket, Incl in 1

1шт.

10

NSS

NOT SOLD SEPARAT

Gasket, Incl in 1

1шт.

11

NSS

NOT SOLD SEPARAT

Gasket, Incl in 1

1шт.

12

NSS

NOT SOLD SEPARAT

Gasket, Incl in 1

1шт.

13

NSS

NOT SOLD SEPARAT

Gasket, Incl in 1

1шт.

14

NSS

NOT SOLD SEPARAT

Gasket, Incl in 1

1шт.

Выбрано товаров: 14