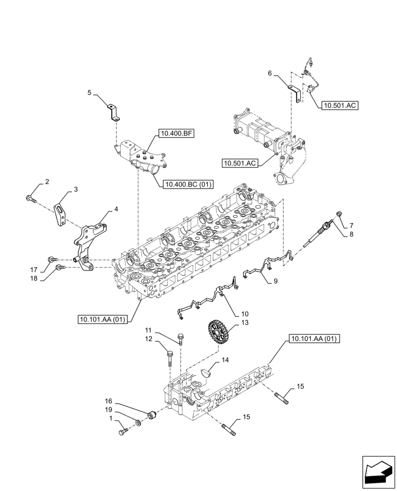
Запчасти Case AQ-6HK1XASS01-02 (10.101.AA[02]) - CYLINDER HEAD (10) - ENGINE

Схема запчастей Case AQ-6HK1XASS01-02 - (10.101.AA[02]) - CYLINDER HEAD (10) - ENGINE
3
16
10.501.ac
10.400.bc (01)
19
10.501.ac
8
17
10.101.aa (01)
12
10.400.bf
6
9
15
18
1
10.101.aa (01)
7
5
14
10
11
13
4
15
2
FIT
1:1
100%

Артикул

Название

Примечание

Количество

1

438031A1

BOLT

1шт.

2

87597701

BOLT

2шт.

3

87384346

HANGER

1шт.

4

84389464

BRACKET, SUPPORTING

1шт.

5

48011612

BRACKET

1шт.

6

47709094

BRACKET

1шт.

7

87595807

NUT

6шт.

8

438043A1

HEATER COIL

6шт.

9

84389035

HYD CONNECTOR

1шт.

10

84389030

HYD CONNECTOR

1шт.

11

438153A1

BOLT

1шт.

12

438152A1

BOLT

1шт.

13

438163A1

GEAR

1шт.

14

84389046

PLUG

2шт.

15

72109518

STUD

12шт.

16

72215889

SPACER

1шт.

17

87596637

BOLT

1шт.

18

87597774

BOLT,Flng, M10 x 80mm

1шт.

19

87458149

WASHER

1шт.

Выбрано товаров: 19