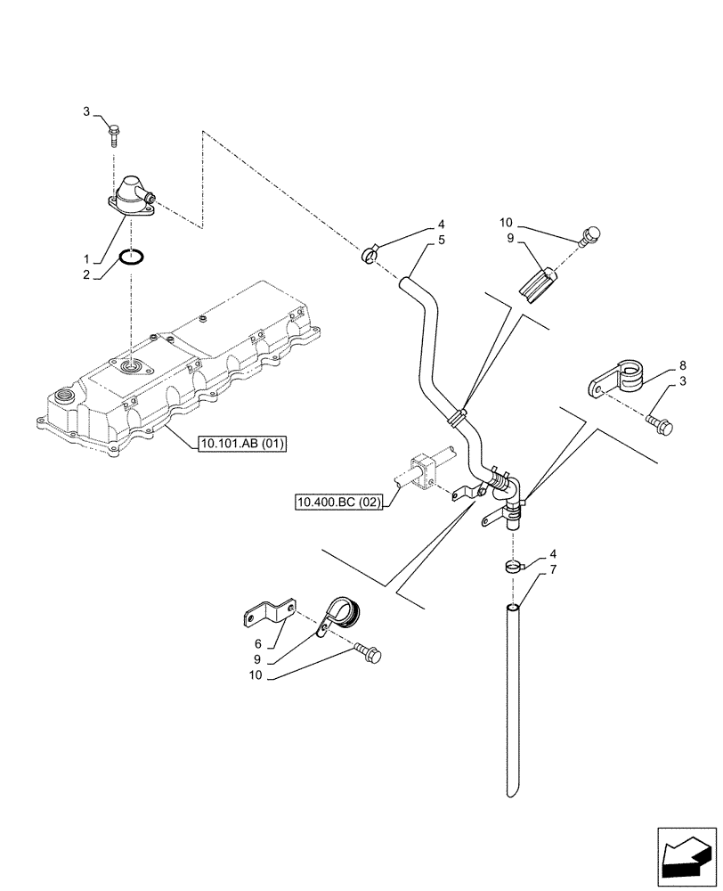
Запчасти Case AQ-6HK1XASS01-02 (10.101.AB[03]) - VALVE COVER (10) - ENGINE

Схема запчастей Case AQ-6HK1XASS01-02 - (10.101.AB[03]) - VALVE COVER (10) - ENGINE
10.400.bc (02)
9
8
4
10
3
9
5
2
7
3
6
1
10
4
10.101.ab (01)
FIT
1:1
100%

Артикул

Название

Примечание

Количество

1

87378557

BREATHER

1шт.

2

426077A1

GASKET

1шт.

3

87596428

BOLT

3шт.

4

72110328

CLIP

2шт.

5

47709199

HOSE

1шт.

6

84410015

BRACKET, SUPPORTING

1шт.

7

47709205

HOSE

1шт.

8

87378559

CLIP

1шт.

9

87596407

CLIP

2шт.

10

87595866

BOLT

2шт.

Выбрано товаров: 10