Запчасти Case AQ-6HK1XASS01-02 (10.101.AM) - VALVES (10) - ENGINE

Схема запчастей Case AQ-6HK1XASS01-02 - (10.101.AM) - VALVES (10) - ENGINE
1
5
10.101.aa (01)
1
5
5
8
7
5
6
10
7
6
9
3
12
4
3
8
10
6
4
9
10
12
11
11
2
10.106.ao
9
10
2
9
6
FIT
1:1
100%

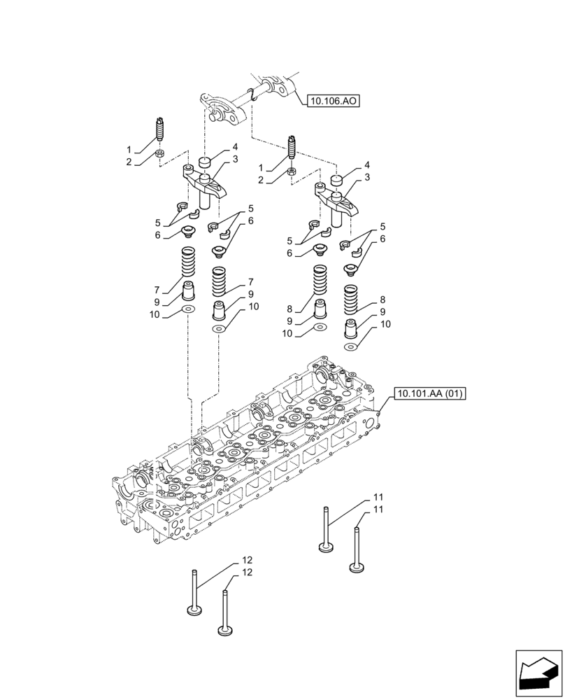
Артикул

Название

Примечание

Количество

1

72109575

ADJUSTMENT SCREW,Hex, 3/8" - 16 x 1", Gr 5

12шт.

2

71455176

NUT

12шт.

3

72215982

BLOCK

12шт.

4

438121A1

CAP

12шт.

5

355173A1

SEAT, VALVE

48шт.

6

72109581

CUP

24шт.

7

438118A1

SPRING

12шт.

8

87378142

SPRING

12шт.

9

87601940

SEAL

24шт.

10

438045A1

SEAT, VALVE

24шт.

11

438115A1

VALVE,ENGINE,INLET,S

12шт.

12

87379496

VALVE PRESSURE RELIE

12шт.

Выбрано товаров: 12