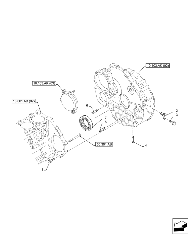
Запчасти Case AQ-6HK1XASS01-02 (10.103.AK[01]) - FLYWHEEL & HOUSING (10) - ENGINE

Схема запчастей Case AQ-6HK1XASS01-02 - (10.103.AK[01]) - FLYWHEEL & HOUSING (10) - ENGINE
2
1
6
3
10.001.ab (02)
10.103.ak (03)
5
4
7
55.301.ab
10.103.ak (02)
FIT
1:1
100%

Артикул

Название

Примечание

Количество

1

87596637

BOLT

1шт.

2

87379727

PLUG

1шт.

3

84387662

BOLT

1шт.

4

84387980

STUD

4шт.

5

437868A1

STUD

1шт.

6

84387697

STUD

2шт.

7

87336448

SEAL

1шт.

Выбрано товаров: 7