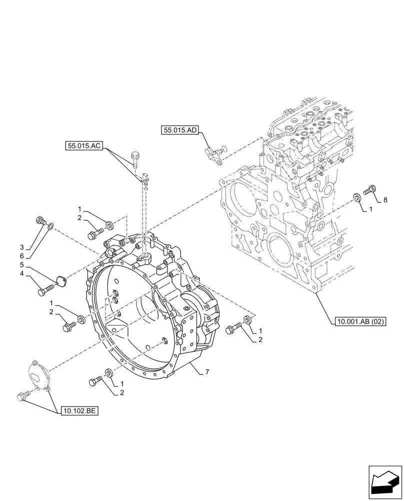
Запчасти Case AQ-6HK1XASS01-02 (10.103.AK[02]) - FLYWHEEL & HOUSING (10) - ENGINE

Схема запчастей Case AQ-6HK1XASS01-02 - (10.103.AK[02]) - FLYWHEEL & HOUSING (10) - ENGINE
8
6
55.015.ad
3
10.001.ab (02)
55.015.ac
4
2
2
7
1
2
5
1
1
10.102.be
2
1
1
FIT
1:1
100%

Артикул

Название

Примечание

Количество

1

438083A1

WASHER

12шт.

2

84387654

BOLT

11шт.

3

84147144

PLUG

1шт.

4

426626A1

BOLT

2шт.

5

87379591

COVER

1шт.

6

47709203

GASKET

1шт.

7

47678205

HOUSING

1шт.

8

87603319

BOLT

1шт.

Выбрано товаров: 8