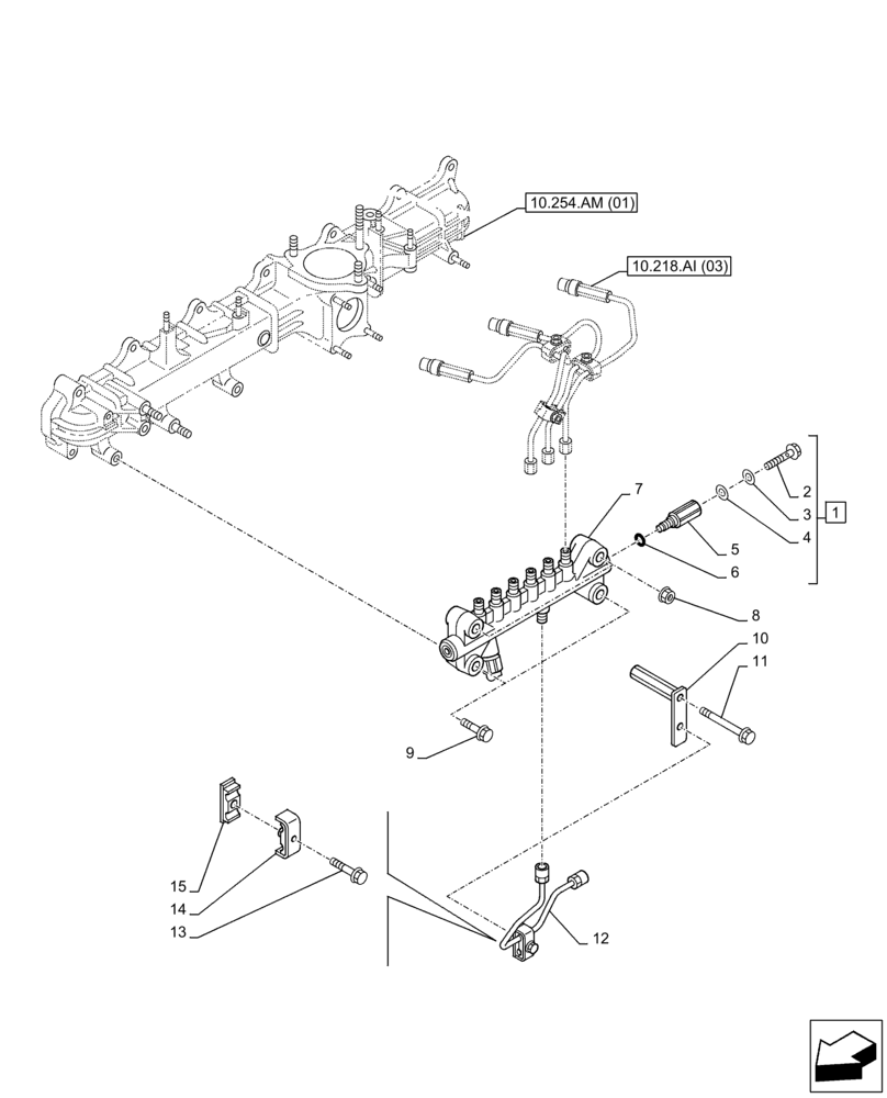
Запчасти Case AQ-6HK1XASS01-02 (10.218.AA) - RAIL ASSY (10) - ENGINE

Схема запчастей Case AQ-6HK1XASS01-02 - (10.218.AA) - RAIL ASSY (10) - ENGINE
4
15
10.218.ai (03)
14
12
13
9
2
8
10.254.am (01)
5
11
10
3
1
7
6
FIT
1:1
100%

Артикул

Название

Примечание

Количество

1

47708918

ACCUMULATOR

ASSY, Common Rail, Incl 2 - 7

1шт.

2

NSS

NOT SOLD SEPARAT

Bolt, Incl in 1

1шт.

3

NSS

NOT SOLD SEPARAT

Gasket, Incl in 1

1шт.

4

NSS

NOT SOLD SEPARAT

Gasket, Incl in 1

1шт.

5

NSS

NOT SOLD SEPARAT

Pressure Relief Valve, Incl in 1

1шт.

6

NSS

NOT SOLD SEPARAT

O-Ring, Incl in 1

1шт.

7

NSS

NOT SOLD SEPARAT

Common Rail, Incl in 1

1шт.

8

87596885

NUT

2шт.

9

47708910

BOLT

2шт.

10

87379782

BRACKET

1шт.

11

87596527

BOLT

1шт.

12

47708954

PIPE

1шт.

13

87604392

BOLT

1шт.

14

47708919

CLIP

1шт.

15

47708927

CLIP

1шт.

Выбрано товаров: 15