Качественные детали и логистика
Оригинальные и аналоговые запчасти с доставкой по России, Казахстану и Беларуси
©2022 PartSell ООО "Система" ИНН 2463123282 ОГРН 1212400004838
Центральный офис: г. Красноярск, Академика Киренского, д.87, пом.4
Телефон: 8 (800) 777-65-74 Email: zakaz@partsell.ru
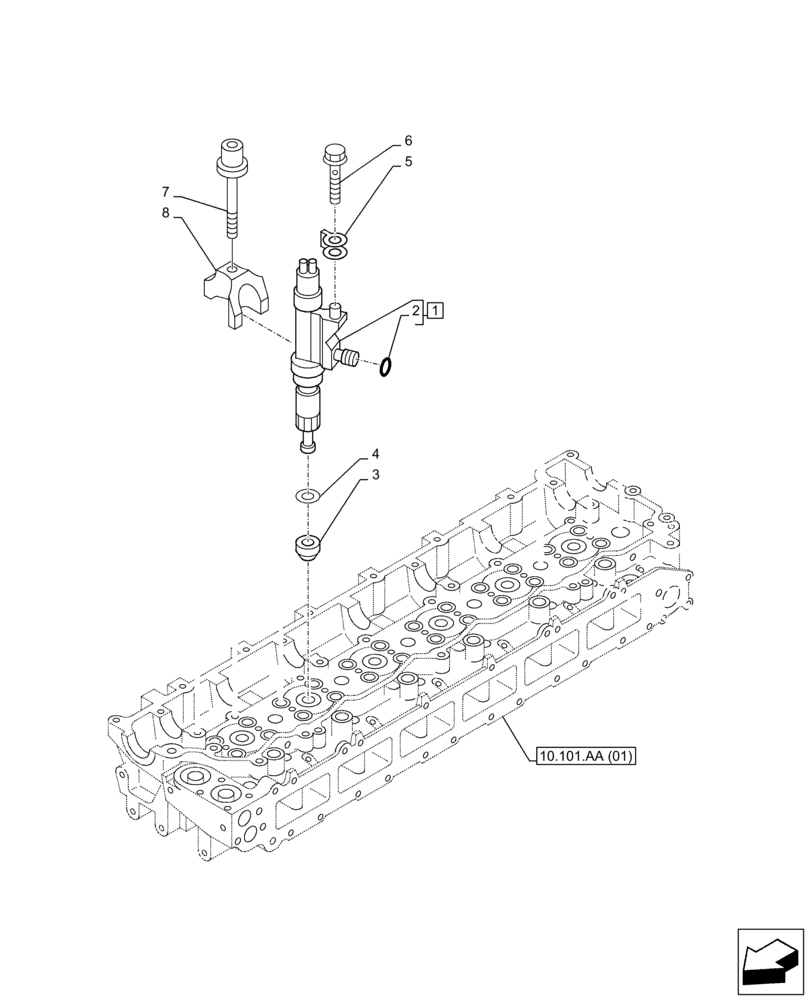
(10.218.AF) - FUEL INJECTOR
№
Артикул
Название
Примечание
Количество
1
47703428
NOZZLE
ASSY, Injector, Incl 2
6шт.
2
84545008
GASKET
3
84362100
4
72109764
SEAL
5
84389334
6
426418A1
BOLT
7
87378846
8
87596877
NOZZLE HOLDER
Выбрано товаров: 0