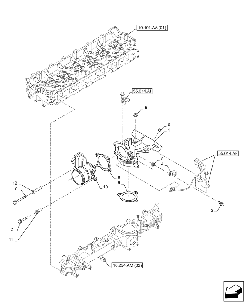
Запчасти Case AQ-6HK1XASS01-02 (10.254.AM[01]) - INLET MANIFOLD (10) - ENGINE

Схема запчастей Case AQ-6HK1XASS01-02 - (10.254.AM[01]) - INLET MANIFOLD (10) - ENGINE
1
4
3
8
5
9
55.014.ai
2
11
10.254.am (02)
12
6
5
7
55.014.af
10
10.101.aa (01)
FIT
1:1
100%

Артикул

Название

Примечание

Количество

1

47709028

PIPE

1шт.

2

87596042

BOLT

2шт.

3

87595952

BOLT

1шт.

4

84387969

CLIP,21mm ID, J Type

1шт.

5

87595271

NUT

3шт.

6

87601346

DOWEL

2шт.

7

87596527

BOLT

2шт.

8

84388017

GASKET

1шт.

9

87378550

GASKET

1шт.

10

84389390

THROTTLE

1шт.

11

84387978

RUBBER BAND

2шт.

12

84388018

RUBBER BAND

2шт.

Выбрано товаров: 12