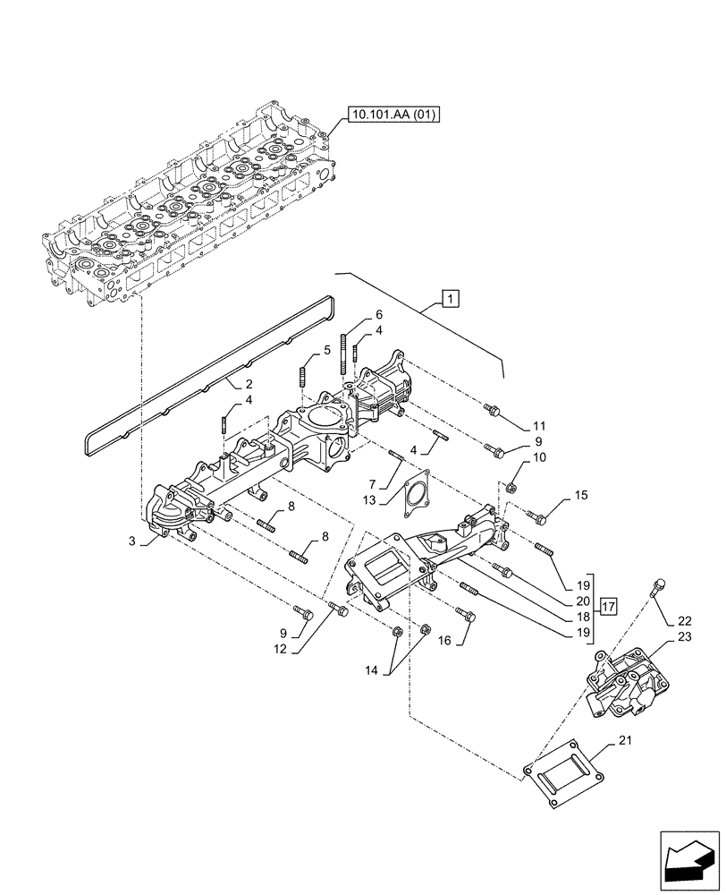
Запчасти Case AQ-6HK1XASS01-02 (10.254.AM[02]) - INLET MANIFOLD (10) - ENGINE

Схема запчастей Case AQ-6HK1XASS01-02 - (10.254.AM[02]) - INLET MANIFOLD (10) - ENGINE
10.101.aa (01)
12
9
16
5
13
14
18
4
15
8
21
11
2
22
4
19
6
1
9
17
23
8
10
19
4
3
7
20
FIT
1:1
100%

Артикул

Название

Примечание

Количество

1

47709190

COVER

ASSY, Inlet Cover, Incl 2 - 8

1шт.

2

438042A1

GASKET

1шт.

3

NSS

NOT SOLD SEPARAT

Cover, Incl in 1

1шт.

4

87596643

STUD

5шт.

5

87597208

STUD

2шт.

6

84389368

STUD

1шт.

7

47708579

STUD

2шт.

8

47544029

STUD

2шт.

9

87596874

BOLT

6шт.

10

87595271

NUT

2шт.

11

87595918

BOLT

6шт.

12

47708909

BOLT

2шт.

13

47708916

GASKET

1шт.

14

87596885

NUT

2шт.

15

47708935

BOLT

1шт.

16

87596004

BOLT

1шт.

17

47709198

COVER

ASSY, Inlet Cover, Incl 18 - 20

1шт.

18

NSS

NOT SOLD SEPARAT

Cover, Incl in 17

1шт.

19

47708603

STUD

2шт.

20

87596055

BOLT

1шт.

21

84388046

GASKET

1шт.

22

87605814

BOLT

4шт.

23

47709062

COVER

1шт.

Выбрано товаров: 23