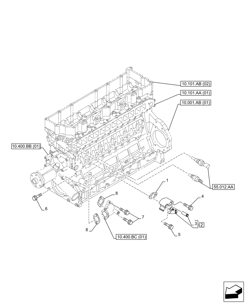
Запчасти Case AQ-6HK1XASS01-02 (10.400.AE) - COOLING SYSTEM LINE (10) - ENGINE

Схема запчастей Case AQ-6HK1XASS01-02 - (10.400.AE) - COOLING SYSTEM LINE (10) - ENGINE
4
10.400.bc (01)
10.101.aa (01)
1
10.400.bb (01)
10.101.ab (02)
55.012.aa
5
7
10.001.ab (01)
6
8
8
2
3
FIT
1:1
100%

Артикул

Название

Примечание

Количество

1

437915A1

GASKET

1шт.

2

47709007

DUCT

ASSY, Bybass Water Duct, Incl 3

1шт.

3

87384796

FERRULE

1шт.

4

87602094

BOLT

1шт.

5

87596527

BOLT

1шт.

6

87595839

BOLT

2шт.

7

87595918

BOLT

2шт.

8

437914A1

GASKET

2шт.

Выбрано товаров: 8