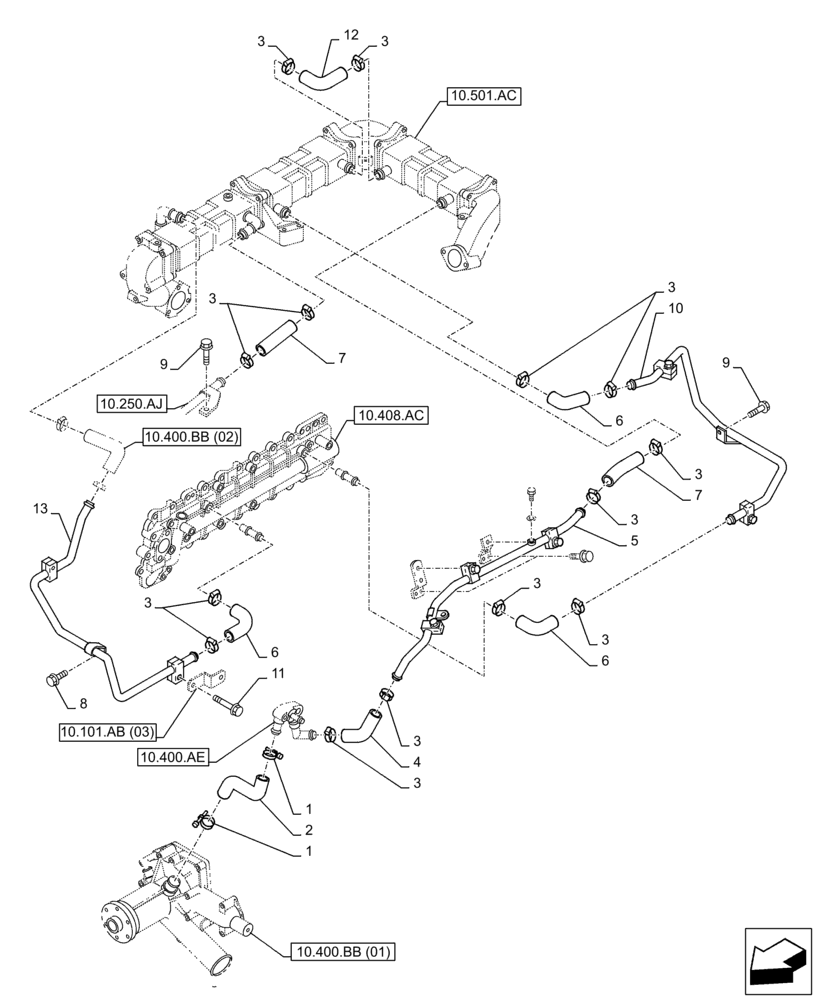
Запчасти Case AQ-6HK1XASS01-02 (10.400.BC[02]) - COOLER, THERMOSTAT (10) - ENGINE

Схема запчастей Case AQ-6HK1XASS01-02 - (10.400.BC[02]) - COOLER, THERMOSTAT (10) - ENGINE
10
8
3
7
3
3
1
12
4
10.400.bb (02)
3
10.501.ac
3
6
3
5
9
13
3
10.400.ae
6
9
11
7
1
10.101.ab (03)
6
10.400.bb (01)
10.408.ac
3
3
3
2
10.250.aj
3
FIT
1:1
100%

Артикул

Название

Примечание

Количество

1

437887A1

CLAMP

2шт.

2

437869A1

HOSE

1шт.

3

84387728

CLIP,26mm - 41.5mm

14шт.

4

84389507

RADIATOR HOSE

1шт.

5

84389092

TUBE

1шт.

6

84389118

RADIATOR HOSE

3шт.

7

84389388

RADIATOR HOSE

2шт.

8

84387671

BOLT

1шт.

9

87595866

BOLT

2шт.

10

84389072

TUBE

1шт.

11

84410041

BOLT

1шт.

12

84389134

RADIATOR HOSE

1шт.

13

84389054

TUBE

1шт.

Выбрано товаров: 0