Запчасти Case AQ-6HK1XASS01-02 (10.408.AC) - HEAT EXCHANGER (10) - ENGINE

Схема запчастей Case AQ-6HK1XASS01-02 - (10.408.AC) - HEAT EXCHANGER (10) - ENGINE
21
13
4
10
25
1
24
2
10
12
20
22
17
55.013.ab
16
5
15
10.001.ab (01)
3
5
9
11
11
7
14
6
19
18
23
8
FIT
1:1
100%

Артикул

Название

Примечание

Количество

1

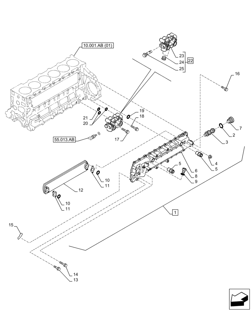
47678296

OIL COOLER

ASSY, Oil Cooler, Incl 2 - 12

1шт.

2

84387972

GASKET

1шт.

3

87380140

THERMOSTAT

1шт.

4

437907A1

NUT

4шт.

5

84410044

PIPE

2шт.

6

NSS

NOT SOLD SEPARAT

Cooler, Incl in 1

1шт.

7

87457953

PLUG

1шт.

8

84387974

PLUG

1шт.

9

84389350

GASKET

1шт.

10

419952A1

GASKET

2шт.

11

438102A1

GASKET

2шт.

12

47678292

OIL COOLER

1шт.

13

87595258

BOLT

1шт.

14

355254A1

BOLT

3шт.

15

438141A1

GASKET

1шт.

16

288695A1

BOLT

24шт.

17

87597042

BOLT

1шт.

18

87597043

BOLT

3шт.

19

84389096

OIL PAN GASKET SET

1шт.

20

438148A1

GASKET

2шт.

21

438147A1

GASKET

1шт.

22

87379100

COVER

ASSY, Oil Port Cover, Incl 23 - 25

1шт.

23

NSS

NOT SOLD SEPARAT

Oil Port Cover, Incl in 22

1шт.

24

71455788

PLUG

ALTERNATIVE 87380144

2шт.

24

87380144

PLUG

ALTERNATIVE 71455788

2шт.

25

87380145

VALVE PRESSURE RELIE

1шт.

Выбрано товаров: 0