Качественные детали и логистика
Оригинальные и аналоговые запчасти с доставкой по России, Казахстану и Беларуси
©2022 PartSell ООО "Система" ИНН 2463123282 ОГРН 1212400004838
Центральный офис: г. Красноярск, Академика Киренского, д.87, пом.4
Телефон: 8 (800) 777-65-74 Email: zakaz@partsell.ru
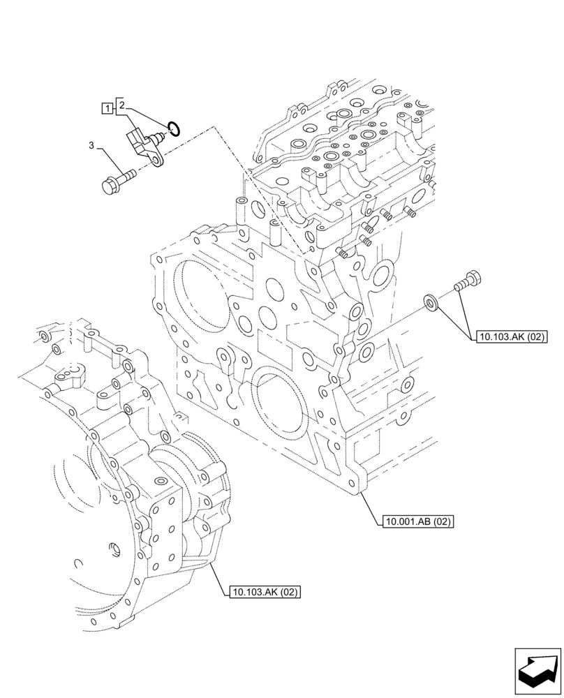
(55.015.AD) - CAMSHAFT, SENSOR
№
Артикул
Название
Примечание
Количество
1
84388072
SENSOR,Speed, Revolution
ASSY, Revolution Sensor, Incl 2
1шт.
2
87595936
GASKET
Incl in 1
3
87595952
BOLT
Выбрано товаров: 0