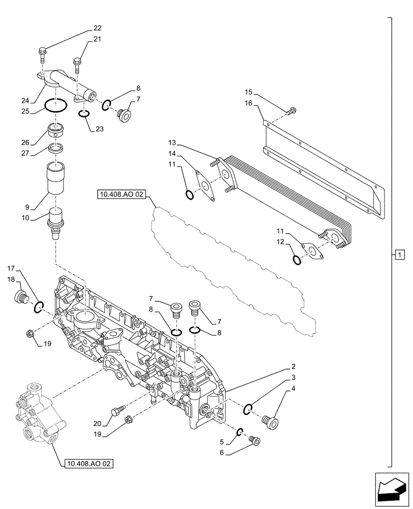
Запчасти Case AQ-6UZ1XASS01 (10.408.AO[01]) - ENGINE, OIL COOLER (10) - ENGINE

Схема запчастей Case AQ-6UZ1XASS01 - (10.408.AO[01]) - ENGINE, OIL COOLER (10) - ENGINE
10.408.ao 02
5
27
23
20
1
3
4
15
8
26
14
7
19
21
11
10
18
11
9
25
22
17
19
16
6
8
24
12
2
8
7
7
13
10.408.ao 02
FIT
1:1
100%

Артикул

Название

Примечание

Количество

1

48011620

COOLER ASSY.

ASSY, Incl 2 - 27

1шт.

2

NSS

NOT SOLD SEPARAT

Oil Cooler, Incl in 1

1шт.

3

87604404

GASKET

1шт.

4

87604429

PLUG

1шт.

5

87604434

GASKET

1шт.

6

87604427

PLUG

1шт.

7

87604428

PLUG

3шт.

8

87604470

GASKET

3шт.

9

47921335

SUPPORT

1шт.

10

48011621

VALVE

1шт.

11

87604525

GASKET

1шт.

12

419952A1

GASKET

2шт.

13

87604519

CORE-OIL COOLER

1шт.

14

87604523

GASKET

1шт.

15

87604518

SCREW

8шт.

16

87604517

GUIDE

1шт.

17

87604471

GASKET

1шт.

18

87604424

PLUG

1шт.

19

437907A1

NUT

4шт.

20

47921261

PLUG

1шт.

21

87604529

BOLT

2шт.

22

47921098

BOLT

2шт.

23

87604536

GASKET

1шт.

24

87604528

PIPE

1шт.

25

87604540

GASKET

1шт.

26

87604421

RETAINER

1шт.

27

87604422

SEAL

1шт.

Выбрано товаров: 27