Запчасти Case AQ-6UZ1XASS01 (10.500.AO[01]) - SELECTIVE CATALYTIC REDUCTION, MUFFLER (10) - ENGINE

Схема запчастей Case AQ-6UZ1XASS01 - (10.500.AO[01]) - SELECTIVE CATALYTIC REDUCTION, MUFFLER (10) - ENGINE
9
20
4
14
5
20
9
9
10
5
14
3
2
11
20
15
16
17
12
5
18
20
6
9
3
7
1
5
9
8
17
13
5
7
19
15
10.500.ao 03
10.500.ao 02
10.500.ao 02
7
9
4
FIT
1:1
100%

Артикул

Название

Примечание

Количество

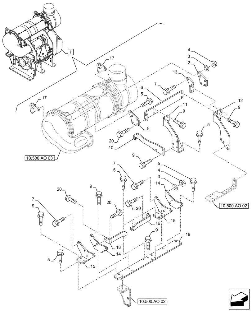
1

48011613

MUFFLER

1шт.

See Also Page 10.500.AO(02), 10.500.AO(03), 10.500.AO(04)

1шт.

CX490D RTC (EU); CX500D LC RTC (EU) (MEA); CX490D/CX500D LC RTC (NA)

1шт.

2

47921122

BRACKET

1шт.

3

86987427

WASHER

43шт.

4

87384773

NUT

10шт.

5

47708551

BOLT

1шт.

6

47921121

BRACKET

1шт.

7

87596463

BOLT

8шт.

8

47921116

BRACKET

1шт.

9

47703046

BOLT

1шт.

10

47921118

BRACKET

1шт.

11

47921120

BRACKET

1шт.

12

47921124

BRACKET

1шт.

13

47921117

BRACKET

1шт.

14

47921112

BRACKET

2шт.

15

47921114

BRACKET

2шт.

16

47921126

BRACKET

1шт.

17

47921184

HANGER

2шт.

18

47921125

BRACKET

1шт.

19

47921119

BRACKET

1шт.

20

47703043

BOLT

1шт.

Выбрано товаров: 0