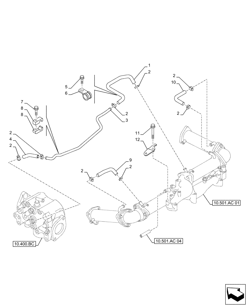
Запчасти Case AQ-6UZ1XASS01 (10.501.AC[03]) - EXHAUST GAS RECIRCULATION, LINE (10) - ENGINE

Схема запчастей Case AQ-6UZ1XASS01 - (10.501.AC[03]) - EXHAUST GAS RECIRCULATION, LINE (10) - ENGINE
10.400.bc
2
2
5
2
12
2
4
2
1
7
2
3
8
8
9
11
2
10
6
2
10.501.ac 04
10.501.ac 01
FIT
1:1
100%

Артикул

Название

Примечание

Количество

1

47921192

HOSE

1шт.

2

87603793

HOSE CLIP

8шт.

3

47921231

PIPE

1шт.

4

87603795

HOSE

1шт.

5

87595866

BOLT

2шт.

6

47921137

CLIP

2шт.

7

87595806

BOLT

2шт.

8

87393940

CLIP

4шт.

9

47921190

HOSE

1шт.

10

47921191

HOSE

1шт.

11

87597774

BOLT,Flng, M10 x 80mm

1шт.

12

47921100

BRACKET

1шт.

Выбрано товаров: 12