Запчасти Case AQ-6WG1XASS11 (10.001.020) - ENGINE, GASKET, SET (10) - ENGINE

Схема запчастей Case AQ-6WG1XASS11 - (10.001.020) - ENGINE, GASKET, SET (10) - ENGINE
10.304.010
17
2
22
20
4
1
2
8
12
1
2
1
19
23
2
2
18
1
9
1
2
2
1
1
1
21
2
2
1
5
1
1
14
2
2
1
1
2
1
2
2
3
1
1
2
7
15
1
1
1
6
21
1
1
2
13
10
1
1
1
11
2
1
19
16
10.218.030
10.106.010
10.304.010
FIT
1:1
100%

Артикул

Название

Примечание

Количество

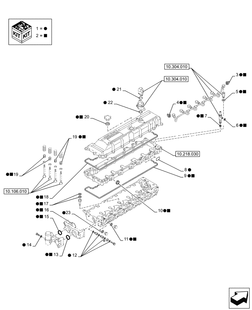
1

48089825

GASKET

ASSY, Gasket Kit Incl 3 - 23

1шт.

See also Figure 10.001.030, 10.001.040, 10.001,050, 10.001.060, 10.001.070

1шт.

2

48089824

GASKET

ASSY, Gasket Kit Incl 3 - 7, 9 - 11, 13, 15 - 20

2шт.

See also Figure 10.001.030, 10.001,050, 10.001.060, 10.001.070

1шт.

3

NSS

NOT SOLD SEPARAT

Gasket, Incl in 1, 2

1шт.

4

NSS

NOT SOLD SEPARAT

Gasket, Incl in 1, 2

1шт.

5

NSS

NOT SOLD SEPARAT

Gasket, Incl in 1, 2

1шт.

6

NSS

NOT SOLD SEPARAT

Gasket, Incl in 1, 2

1шт.

7

NSS

NOT SOLD SEPARAT

Gasket, Incl in 1, 2

1шт.

8

NSS

NOT SOLD SEPARAT

Gasket, Incl in 1

1шт.

9

NSS

NOT SOLD SEPARAT

Gasket, Incl in 1, 2

1шт.

10

NSS

NOT SOLD SEPARAT

Gasket, Incl in 1, 2

1шт.

11

NSS

NOT SOLD SEPARAT

Gasket, Incl in 1, 2

1шт.

12

NSS

NOT SOLD SEPARAT

Gasket, Incl in 1, 2

1шт.

13

NSS

NOT SOLD SEPARAT

Gasket, Incl in 1, 2

1шт.

14

NSS

NOT SOLD SEPARAT

Gasket, Incl in 1, 2

1шт.

15

NSS

NOT SOLD SEPARAT

Gasket, Incl in 1, 2

1шт.

16

NSS

NOT SOLD SEPARAT

Gasket, Incl in 1, 2

1шт.

17

NSS

NOT SOLD SEPARAT

Gasket, Incl in 1, 2

1шт.

18

NSS

NOT SOLD SEPARAT

Gasket, Incl in 1, 2

1шт.

19

NSS

NOT SOLD SEPARAT

Gasket, Incl in 1, 2

1шт.

20

NSS

NOT SOLD SEPARAT

Gasket, Incl in 1, 2

1шт.

21

NSS

NOT SOLD SEPARAT

Gasket, Incl in 1

1шт.

22

NSS

NOT SOLD SEPARAT

Gasket, Incl in 1

1шт.

23

NSS

NOT SOLD SEPARAT

Gasket, Incl in 1

1шт.

Выбрано товаров: 25