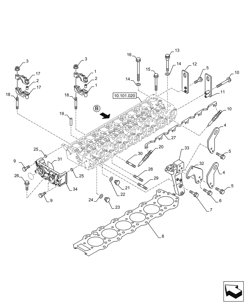
Запчасти Case AQ-6WG1XASS11 (10.101.030) - CYLINDER HEAD (10) - ENGINE

Схема запчастей Case AQ-6WG1XASS11 - (10.101.030) - CYLINDER HEAD (10) - ENGINE
10.101.020
9
22
21
10
3
18
11
13
10
1
5
32
17
4
14
2
33
6
20
15
12
3
5
5
29
30
31
19
27
25
25
17
16
24
14
34
4
9
18
26
7
23
8
2
1
28
FIT
1:1
100%

Артикул

Название

Примечание

Количество

1

288573A1

SUPPORT

6шт.

2

47978907

DOWEL

28шт.

3

288552A1

FLANGE NUT

14шт.

4

87601464

HANGER

1шт.

5

442230A1

BOLT

4шт.

6

87602039

BOLT

1шт.

7

87577218

BOLT

2шт.

8

47979920

CYLINDER HEAD GASKET

1шт.

9

288575A1

BOLT

7шт.

10

48089651

BOLT

2шт.

11

48089844

HANGER

1шт.

12

48089845

HANGER

1шт.

13

288546A1

SPECIAL BOLT

6шт.

14

288560A1

WASHER

26шт.

15

87592020

SCREW

1шт.

16

288547A1

SPECIAL BOLT

20шт.

17

288572A1

SUPPORT

1шт.

18

288568A1

STUD

14шт.

19

288564A1

GUIDE

12шт.

20

288874A1

GLOW PLUG

6шт.

21

87730431

PLUG

1шт.

22

72110175

SEAL

1шт.

23

289092A1

GASKET

1шт.

24

288569A1

PLUG

1шт.

25

288576A1

DOWEL

2шт.

26

87577258

SPECIAL BOLT

2шт.

27

47978895

SOCKET

1шт.

28

87601225

STUD

6шт.

29

438183A1

STUD

1шт.

30

86987142

STUD

5шт.

31

72110176

SEAL

1шт.

32

48089655

BRACKET

1шт.

33

48089671

BRACKET

1шт.

34

288574A1

HOUSING

1шт.

Выбрано товаров: 34