Качественные детали и логистика
Оригинальные и аналоговые запчасти с доставкой по России, Казахстану и Беларуси
©2022 PartSell ООО "Система" ИНН 2463123282 ОГРН 1212400004838
Центральный офис: г. Красноярск, Академика Киренского, д.87, пом.4
Телефон: 8 (800) 777-65-74 Email: zakaz@partsell.ru
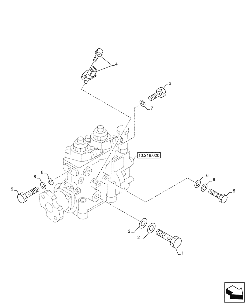
(10.218.040) - FUEL SYSTEM
№
Артикул
Название
Примечание
Количество
1
87385840
BOLT
1шт.
2
87385850
GASKET
2шт.
3
87385795
PLUG
4
NSS
NOT SOLD SEPARAT
Holder
5
87385838
6
87385843
7
87385796
8
87379799
9
87379802
Выбрано товаров: 0