Запчасти Case AQ-6WG1XASS11 (10.408.010) - ENGINE, OIL COOLER (10) - ENGINE

Схема запчастей Case AQ-6WG1XASS11 - (10.408.010) - ENGINE, OIL COOLER (10) - ENGINE
10.304.020
32
15
39
10
5
28
25
18
33
26
12
20
17
8
7
15
20
31
4
16
19
9
21
29
24
23
32
7
7
35
14
38
22
30
34
1
37
15
6
3
36
8
31
2
27
13
11
xx.xxx.xxx
8
2
10.001.010
FIT
1:1
100%

Артикул

Название

Примечание

Количество

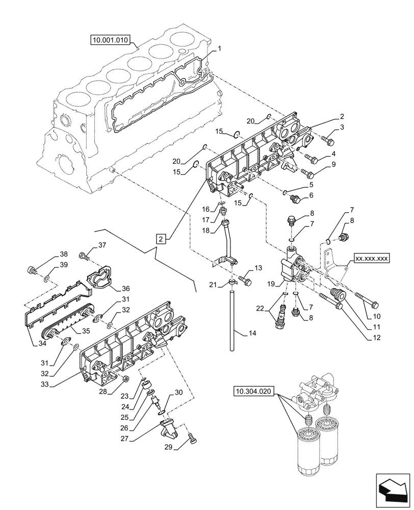
1

446627A1

GASKET

1шт.

2

47979199

COOLER ASSY.

ASSY, Incl 23 - 39

1шт.

3

87597042

BOLT

17шт.

4

426463A1

BOLT

8шт.

5

288565A1

GASKET

1шт.

6

87379489

PLUG

1шт.

7

86987151

GASKET

3шт.

8

47921266

PLUG

3шт.

9

87601467

BOLT

1шт.

10

87597043

BOLT

2шт.

11

87604544

PLUG

2шт.

12

87597774

BOLT,Flng, M10 x 80mm

2шт.

13

87596428

BOLT

1шт.

14

288856A1

HOSE

1шт.

15

426494A1

GASKET,312mm ID

4шт.

16

426472A1

GASKET,18.2mm ID x 24.4mm OD

1шт.

17

426496A1

FITTING

1шт.

18

426504A1

PIPE

1шт.

19

87386038

MANIFOLD

1шт.

20

426413A1

GASKET

2шт.

21

47979130

CLAMP

1шт.

22

87386036

VALVE PRESSURE RELIE

1шт.

23

72110441

SEALING RING

1шт.

24

426505A1

COLLAR

1шт.

25

426506A1

RING

1шт.

26

87386045

THERMOSTAT

1шт.

27

426476A1

ELBOW

1шт.

28

419924A1

BOLT

4шт.

29

47979206

BOLT

2шт.

30

72110451

SEAL

1шт.

31

87386047

GASKET

2шт.

32

87386046

GASKET

2шт.

33

47979202

BODY

1шт.

34

426468A1

PLATE

1шт.

35

47979203

CORE-OIL COOLER

1шт.

36

426508A1

COVER

1шт.

37

87595866

BOLT

4шт.

38

47979208

SCREW

10шт.

39

47979197

WASHER

10шт.

Выбрано товаров: 39