Запчасти Case AQ-6WG1XASS11 (10.501.010) - EXHAUST GAS RECIRCULATION (10) - ENGINE

Схема запчастей Case AQ-6WG1XASS11 - (10.501.010) - EXHAUST GAS RECIRCULATION (10) - ENGINE
55.015.030
9
10
3
1
3
6
4
7
1
5
8
2
7
2
5
8
5
6
2
5
4
9
2
10.254.010
FIT
1:1
100%

Артикул

Название

Примечание

Количество

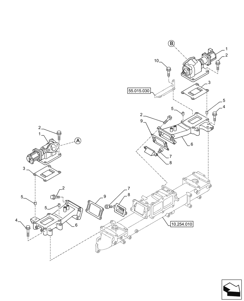
1

48089820

VALVE

2шт.

2

87605814

BOLT

10шт.

3

84388046

GASKET

2шт.

4

87599417

BOLT

6шт.

5

87601346

DOWEL

4шт.

6

48089815

DUCT

2шт.

7

87531034

BOLT

4шт.

8

47722313

VALVE

2шт.

9

48089831

GASKET

2шт.

10

87596637

BOLT

2шт.

Выбрано товаров: 0