Запчасти Case AQ-6WG1XASS11 (55.010.020) - INJECTION CABLE (55) - ELECTRICAL SYSTEMS

Схема запчастей Case AQ-6WG1XASS11 - (55.010.020) - INJECTION CABLE (55) - ELECTRICAL SYSTEMS
55.015.020
6
1
3
4
2
1
1
8
5
7
10.218.030
10.101.020
FIT
1:1
100%

Артикул

Название

Примечание

Количество

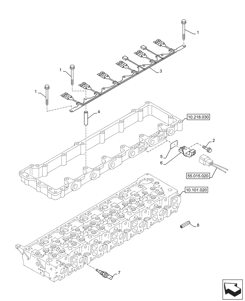
1

87596527

BOLT

7шт.

2

87595805

BOLT

4шт.

3

48089848

WIRE HARNESS

1шт.

4

87386237

SPACER

5шт.

5

87379336

GASKET

2шт.

6

87380194

FITTING

2шт.

7

84389010

SENSOR

1шт.

8

48089842

SLEEVE

1шт.

Выбрано товаров: 8