Запчасти Case AQ-6WG1XASS11 (55.988.020) - DEF/ADBLUE™ (55) - ELECTRICAL SYSTEMS

Схема запчастей Case AQ-6WG1XASS11 - (55.988.020) - DEF/ADBLUE™ (55) - ELECTRICAL SYSTEMS
10.254.050
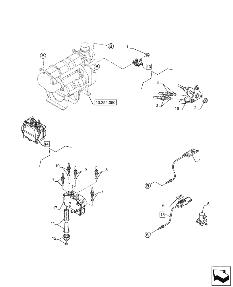
9
2
1
7
5
17
13
3
10
4
7
11
15
3
16
14
6
12
8
FIT
1:1
100%

Артикул

Название

Примечание

Количество

1

87596880

NUT

3шт.

2

47703118

GASKET

1шт.

3

47703162

FITTING

2шт.

4

47866868

SENSOR

2шт.

5

47703095

VALVE

1шт.

6

47703169

CLIP

1шт.

7

47703160

FITTING

2шт.

8

47703148

FITTING

1шт.

9

48089784

WIRE CONNECTOR

1шт.

10

47703151

FITTING

1шт.

11

47703146

FILTER

1шт.

12

47703147

COVER

1шт.

13

47703179

INJECTOR, EMISSIONS

ASSY, Incl 2 - 3

1шт.

14

48089889

PUMP

1шт.

15

47703115

SENSOR

ASSY, Incl 6

1шт.

16

NSS

NOT SOLD SEPARAT

Bracket

1шт.

17

NSS

NOT SOLD SEPARAT

Def Pump

1шт.

Выбрано товаров: 17