Качественные детали и логистика
Оригинальные и аналоговые запчасти с доставкой по России, Казахстану и Беларуси
©2022 PartSell ООО "Система" ИНН 2463123282 ОГРН 1212400004838
Центральный офис: г. Красноярск, Академика Киренского, д.87, пом.4
Телефон: 8 (800) 777-65-74 Email: zakaz@partsell.ru
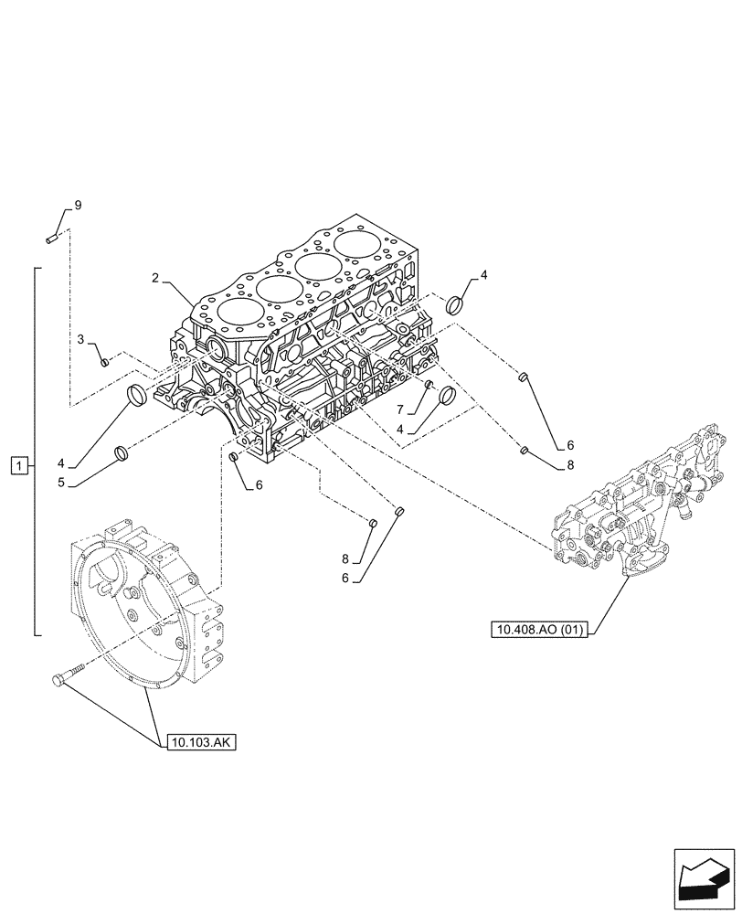
(10.001.AB[02]) - CRANKCASE
№
Артикул
Название
Примечание
Количество
1
47866805
CYLINDER BLOCK
ASSY, Incl 2 - 6(Qty 1), 7
1шт.
2
NSS
NOT SOLD SEPARAT
Crankcase, Incl in 1
3
289414A1
CUP
4
355144A1
RING
3шт.
5
355145A1
6
353962A1
PLUG
5шт.
7
359866A1
8
87595846
4шт.
9
87595916
PIN
Выбрано товаров: 0