Запчасти Case AR-4JJ1XASS01-02 (10.101.AA[02]) - CYLINDER HEAD (10) - ENGINE

Схема запчастей Case AR-4JJ1XASS01-02 - (10.101.AA[02]) - CYLINDER HEAD (10) - ENGINE
55.015.ab (02)
4
1
10.250.aj (01)
7
10.414.ac (01)
2
10.101.aa (01)
5
3
6
55.015.ad
4
FIT
1:1
100%

Артикул

Название

Примечание

Количество

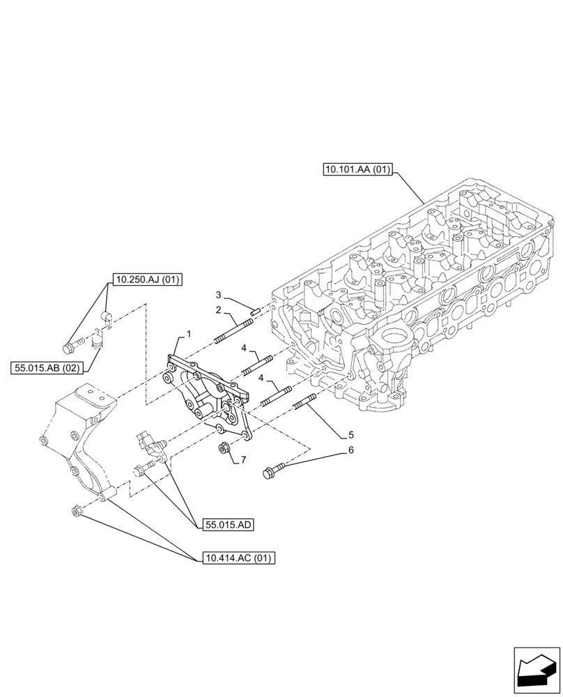
1

47866804

COVER

1шт.

2

87595834

STUD

1шт.

3

426276A1

SPLIT PIN/SAFETY PIN

1шт.

4

87595833

STUD

2шт.

5

87595835

STUD

1шт.

6

87595292

BOLT

1шт.

7

87595428

NUT

2шт.

Выбрано товаров: 7