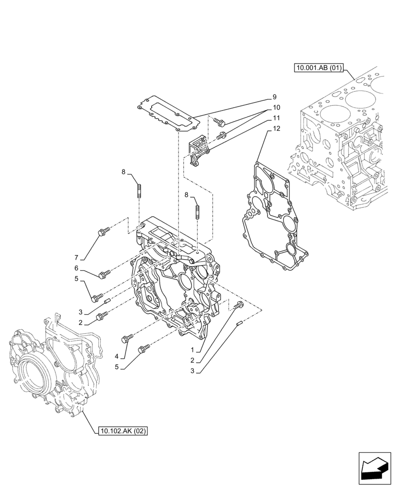
Запчасти Case AR-4JJ1XASS01-02 (10.102.AK[01]) - ENGINE, BLOCK, COVER (10) - ENGINE

Схема запчастей Case AR-4JJ1XASS01-02 - (10.102.AK[01]) - ENGINE, BLOCK, COVER (10) - ENGINE
6
10
8
8
10.102.ak (02)
4
3
2
11
7
5
9
5
12
3
10.001.ab (01)
1
2
FIT
1:1
100%

Артикул

Название

Примечание

Количество

1

87596939

CASE

1шт.

2

87595292

BOLT

16шт.

3

72216708

ROLL PIN

2шт.

4

87595866

BOLT

1шт.

5

87595806

BOLT

2шт.

6

87595463

BOLT

1шт.

7

87595839

BOLT

1шт.

8

87597006

STUD

2шт.

9

87597645

GASKET

1шт.

9

87597643

GASKET

1шт.

9

87597632

GASKET

1шт.

10

87596055

BOLT

3шт.

11

87597000

BRACKET

1шт.

12

87596945

GASKET

1шт.

Выбрано товаров: 14