Запчасти Case AR-4JJ1XASS01-02 (10.102.AK[02]) - ENGINE, BLOCK, COVER (10) - ENGINE

Схема запчастей Case AR-4JJ1XASS01-02 - (10.102.AK[02]) - ENGINE, BLOCK, COVER (10) - ENGINE
9
1
10
6
11
5
8
3
10.304.ac (02)
10.304.ac (02)
12
2
10.102.ak (01)
7
4
FIT
1:1
100%

Артикул

Название

Примечание

Количество

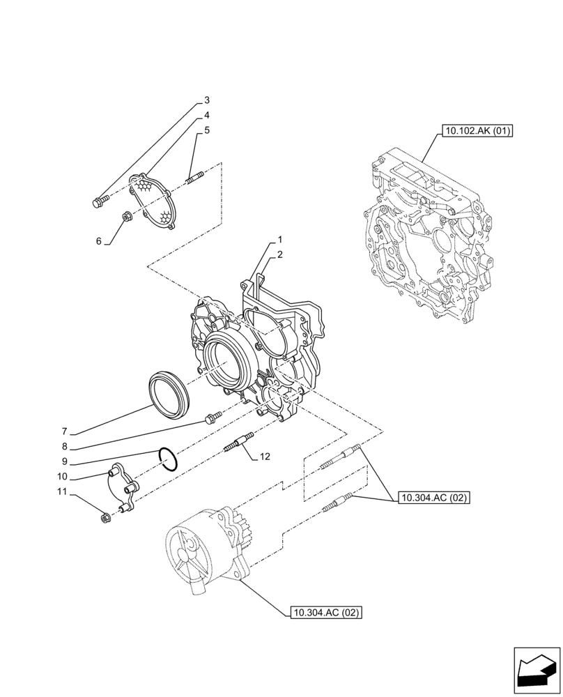
1

47860442

COVER

1шт.

2

87596967

GASKET

1шт.

3

87595938

BOLT

3шт.

4

87597078

COVER

1шт.

5

87597001

STUD

2шт.

6

87595267

NUT

2шт.

7

84590772

SEAL

1шт.

8

87596979

BOLT

14шт.

9

87596993

GASKET

1шт.

10

87596985

COVER

1шт.

11

87595428

NUT

3шт.

12

87596974

STUD

3шт.

Выбрано товаров: 12