Качественные детали и логистика
Оригинальные и аналоговые запчасти с доставкой по России, Казахстану и Беларуси
©2022 PartSell ООО "Система" ИНН 2463123282 ОГРН 1212400004838
Центральный офис: г. Красноярск, Академика Киренского, д.87, пом.4
Телефон: 8 (800) 777-65-74 Email: zakaz@partsell.ru
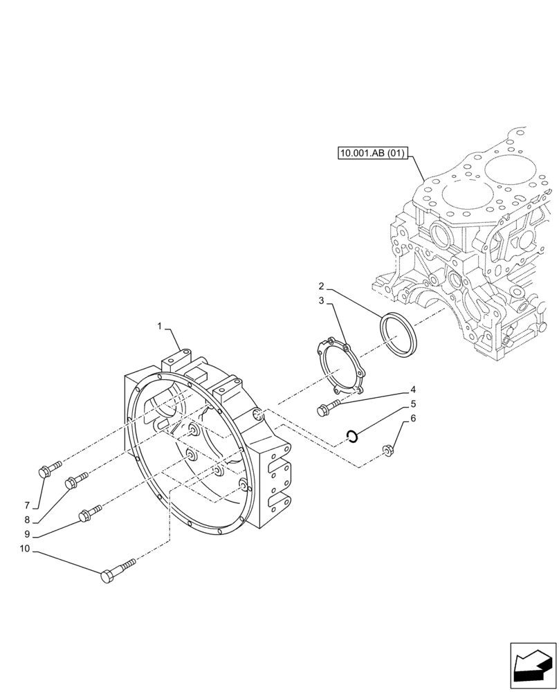
(10.103.AK) - FLYWHEEL, HOUSING
№
Артикул
Название
Примечание
Количество
1
47866821
HOUSING
1шт.
2
355280A1
OIL SEAL
3
84590775
RETAINER
4
87595918
BOLT
5шт.
5
47861198
COVER
6
87596885
NUT
7
87597112
3шт.
8
355282A1
9
87597117
4шт.
10
72961772
Выбрано товаров: 0