Качественные детали и логистика
Оригинальные и аналоговые запчасти с доставкой по России, Казахстану и Беларуси
©2022 PartSell ООО "Система" ИНН 2463123282 ОГРН 1212400004838
Центральный офис: г. Красноярск, Академика Киренского, д.87, пом.4
Телефон: 8 (800) 777-65-74 Email: zakaz@partsell.ru
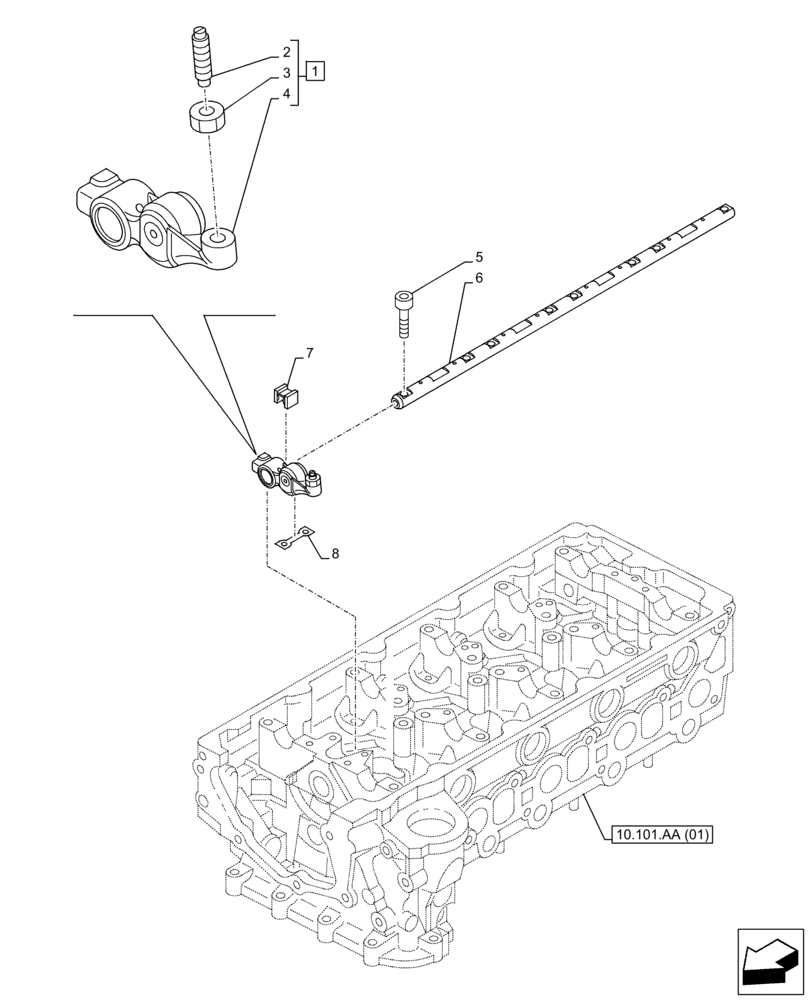
(10.106.AO) - ROCKER ARM
№
Артикул
Название
Примечание
Количество
1
47866811
ROCKER ARM
ASSY, Incl 2 - 4
16шт.
2
84590713
ADJUSTMENT SCREW
3
71455176
NUT
4
NSS
NOT SOLD SEPARAT
Rocker Arm, Incl in 1
5
47866809
BOLT
14шт.
6
47866810
SHAFT
2шт.
7
47866815
SPRING
8шт.
8
47866817
PLATE
6шт.
Выбрано товаров: 0