Запчасти Case AR-4JJ1XASS01-02 (10.218.AQ) - FUEL INJECTION PUMP (10) - ENGINE

Схема запчастей Case AR-4JJ1XASS01-02 - (10.218.AQ) - FUEL INJECTION PUMP (10) - ENGINE
4
8
5
13
6
10
2
1
11
55.010.aj
12
9
8
3
7
10.102.ak (01)
10.114.ab
10.218.ai (01)
10.218.ai (04)
FIT
1:1
100%

Артикул

Название

Примечание

Количество

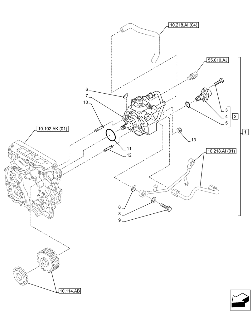
1

47866850

PUMP

ASSY, Incl 2 - 9

1шт.

See also Figure 55.010.AJ

1шт.

2

84591261

KIT

ASSY, Incl 3 - 5

1шт.

3

NSS

NOT SOLD SEPARAT

Bolt, Incl in 2

2шт.

4

NSS

NOT SOLD SEPARAT

Supply Pump Overhaul, Incl in 2

1шт.

5

NSS

NOT SOLD SEPARAT

Gasket, Incl in 2

1шт.

6

84389027

KEY

1шт.

7

NSS

NOT SOLD SEPARAT

Fuel Pump, Incl in 1

1шт.

8

289092A1

GASKET

2шт.

9

NSS

NOT SOLD SEPARAT

Bolt, Incl in 1

1шт.

10

87597075

STUD

1шт.

11

71455816

GASKET

1шт.

12

87597074

STUD

1шт.

13

87595428

NUT

2шт.

Выбрано товаров: 14