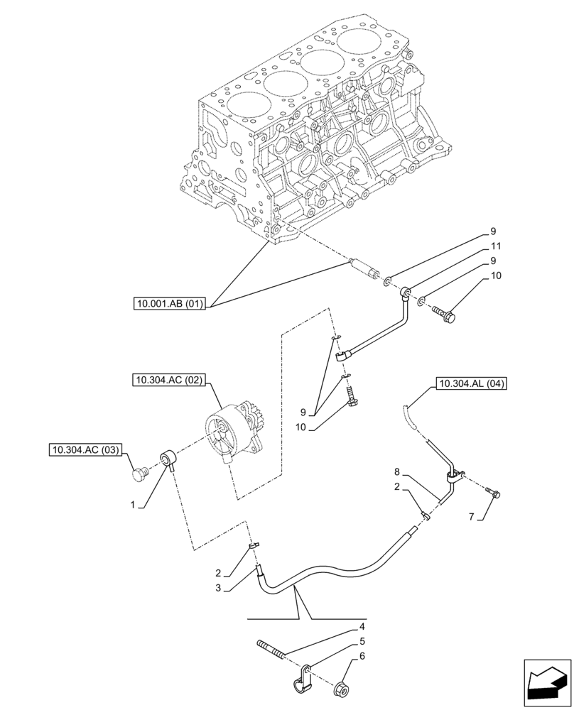
Запчасти Case AR-4JJ1XASS01-02 (10.304.AL[03]) - ENGINE OIL PUMP, SUCTION PIPE (10) - ENGINE

Схема запчастей Case AR-4JJ1XASS01-02 - (10.304.AL[03]) - ENGINE OIL PUMP, SUCTION PIPE (10) - ENGINE
10
7
10.304.ac (02)
10.001.ab (01)
2
6
1
3
9
11
4
2
8
5
10.304.ac (03)
9
10.304.al (04)
9
10
FIT
1:1
100%

Артикул

Название

Примечание

Количество

1

84591287

PIPE

1шт.

2

84591280

CLIP

2шт.

3

84591288

HOSE ASSY.

1шт.

4

87596030

STUD

1шт.

5

84591278

CLIP

1шт.

6

87595428

NUT

1шт.

7

87595952

BOLT

1шт.

8

84591285

PIPE

1шт.

9

289808A1

GASKET

4шт.

10

355663A1

BANJO BOLT

2шт.

11

84591282

PIPE

1шт.

Выбрано товаров: 11