Запчасти Case AR-4JJ1XASS01-02 (10.400.BC) - THERMOSTAT (10) - ENGINE

Схема запчастей Case AR-4JJ1XASS01-02 - (10.400.BC) - THERMOSTAT (10) - ENGINE
10
4
9
2
10.304.al (03)
3
10.101.aa (01)
10.250.aj (01)
1
8
3
11
7
9
5
6
FIT
1:1
100%

Артикул

Название

Примечание

Количество

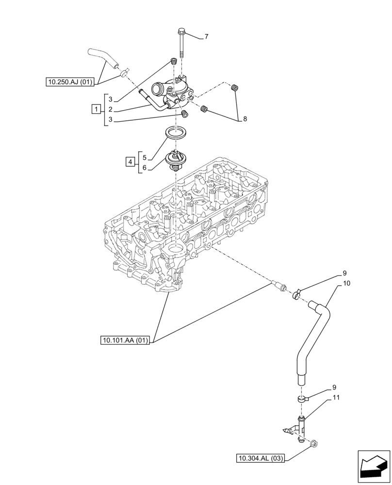
1

47866827

PIPE

ASSY, Incl 2, 3

1шт.

2

NSS

NOT SOLD SEPARAT

Water Ouatlet Pipe, Incl in 1

1шт.

3

87730499

PLUG

2шт.

4

47860471

THERMOSTAT

ASSY, Incl 5, 6

1шт.

5

84590860

GASKET

1шт.

6

NSS

NOT SOLD SEPARAT

Thermostat, Incl in 4

1шт.

7

87597729

BOLT

2шт.

8

289415A1

PLUG

2шт.

9

86990039

CLIP

2шт.

10

47866832

HOSE

1шт.

11

84590863

TUBE

1шт.

Выбрано товаров: 11