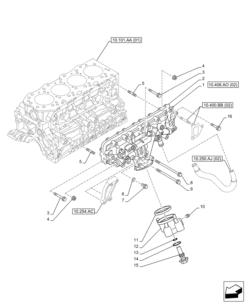
Запчасти Case AR-4JJ1XASS01-02 (10.408.AO[01]) - ENGINE, OIL COOLER (10) - ENGINE

Схема запчастей Case AR-4JJ1XASS01-02 - (10.408.AO[01]) - ENGINE, OIL COOLER (10) - ENGINE
13
6
10.101.aa (01)
10.254.ac
8
11
10.400.bb (02)
16
7
3
10.408.ao (02)
9
10
4
12
14
3
10.250.aj (02)
4
5
1
5
2
15
FIT
1:1
100%

Артикул

Название

Примечание

Количество

1

47866851

COOLER

ASSY

1шт.

2

84591266

GASKET

1шт.

3

87595258

BOLT

12шт.

4

87595428

NUT

2шт.

5

87603352

STUD

2шт.

6

76552228

SEAL

1шт.

7

84591284

PLUG

1шт.

8

87729949

BOLT

1шт.

9

87598860

BOLT

1шт.

10

87595941

PLUG

1шт.

11

87595850

GASKET

1шт.

12

84591268

COVER

1шт.

13

87595920

GASKET

1шт.

14

87595923

GASKET

1шт.

15

87595942

PLUG

1шт.

16

87595292

BOLT

1шт.

Выбрано товаров: 0