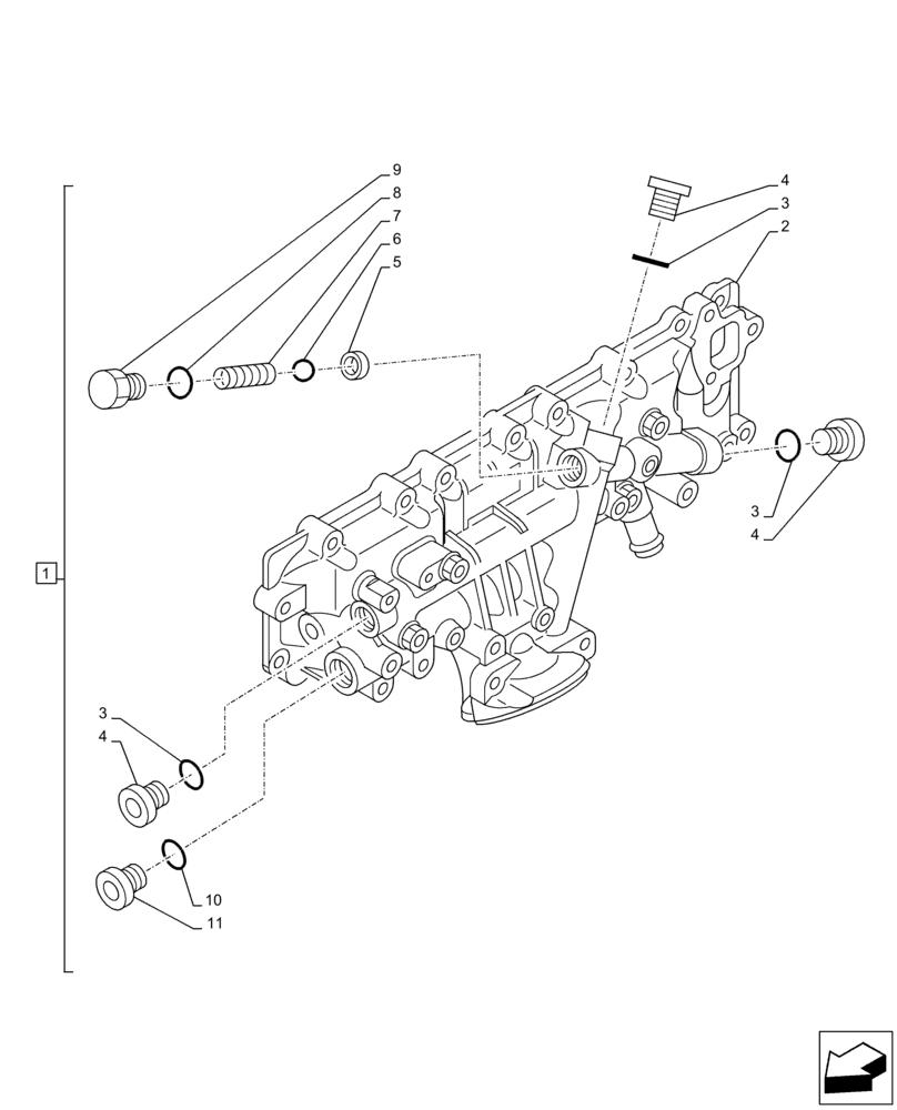
Запчасти Case AR-4JJ1XASS01-02 (10.408.AO[02]) - ENGINE, OIL COOLER (10) - ENGINE

Схема запчастей Case AR-4JJ1XASS01-02 - (10.408.AO[02]) - ENGINE, OIL COOLER (10) - ENGINE
10
3
4
6
2
7
3
3
4
1
11
5
9
4
8
FIT
1:1
100%

Артикул

Название

Примечание

Количество

1

47866851

COOLER

ASSY, Incl 2 - 11

1шт.

2

NSS

NOT SOLD SEPARAT

Oil Cooler, Incl in 1

1шт.

3

84591265

GASKET

3шт.

4

84591262

PLUG

3шт.

5

NSS

NOT SOLD SEPARAT

Bushing, Incl in 1

1шт.

6

NSS

NOT SOLD SEPARAT

Ball, Incl in 1

1шт.

7

NSS

NOT SOLD SEPARAT

Spring, Incl in 1

1шт.

8

84591267

GASKET

1шт.

9

289878A1

PLUG

1шт.

10

84591264

GASKET

1шт.

11

438134A1

PLUG

1шт.

Выбрано товаров: 11