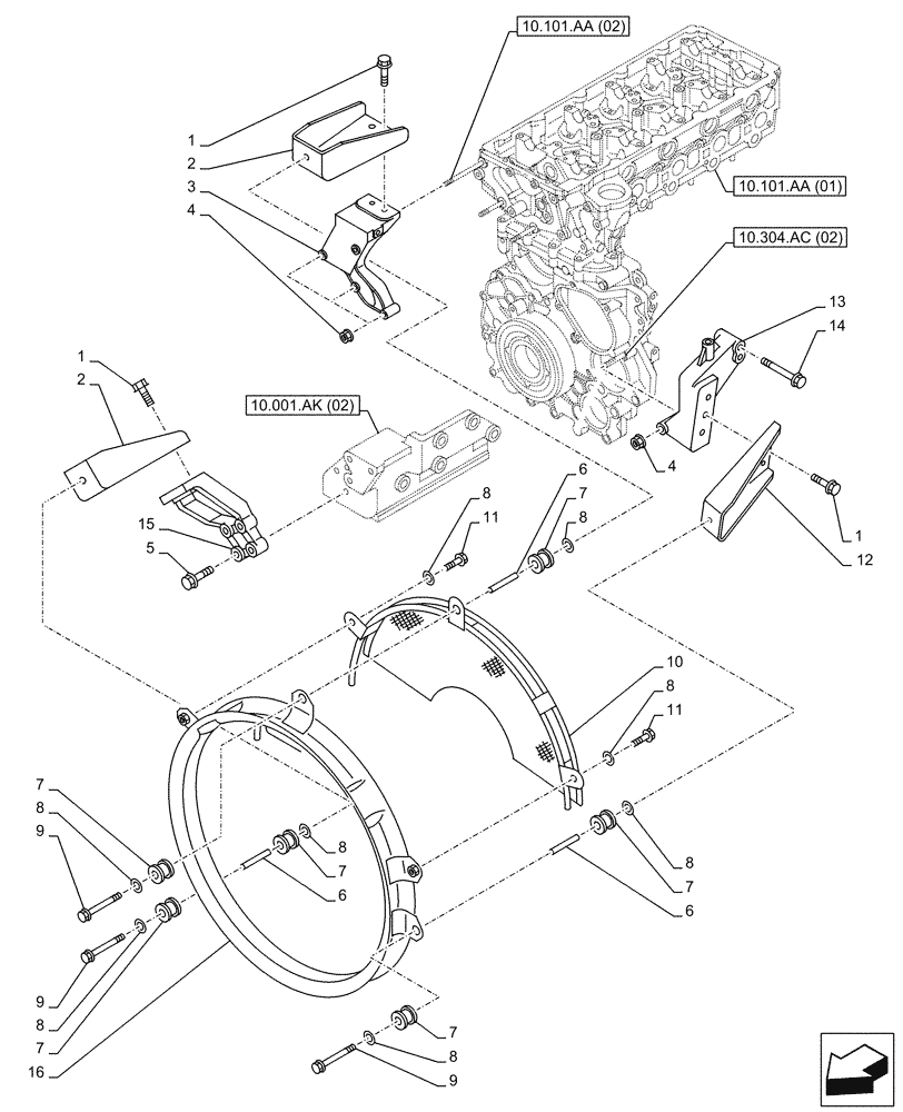
Запчасти Case AR-4JJ1XASS01-02 (10.414.AC[01]) - ENGINE, FAN, RADIATOR (10) - ENGINE

Схема запчастей Case AR-4JJ1XASS01-02 - (10.414.AC[01]) - ENGINE, FAN, RADIATOR (10) - ENGINE
10.101.aa (02)
7
4
8
8
1
15
1
8
2
7
3
6
9
7
9
4
8
11
8
13
14
12
7
6
8
2
5
1
9
7
8
8
6
7
10
11
16
10.304.ac (02)
10.001.ak (02)
10.101.aa (01)
FIT
1:1
100%

Артикул

Название

Примечание

Количество

1

87600499

BOLT

6шт.

2

47860528

STAY

2шт.

3

47866866

BRACKET

1шт.

4

87595428

NUT

4шт.

5

87595806

BOLT

4шт.

6

47678273

SPACER

3шт.

7

419726A1

RUBBER WASHER

6шт.

8

84387713

WASHER

8шт.

9

87597887

BOLT

3шт.

10

87600596

GUARD

1шт.

11

87597884

BOLT

2шт.

12

47860529

STAY

1шт.

13

47866867

BRACKET

1шт.

14

87596874

BOLT

2шт.

15

87601011

BRACKET

1шт.

16

87600598

SHROUD

1шт.

Выбрано товаров: 16