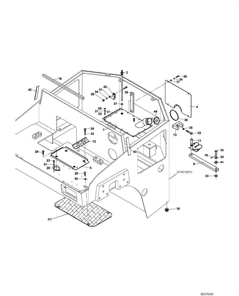
Запчасти Case DV201 (12-170/124[03]) - CHASSIS (GROUP 170/124) (09) - CHASSIS/ATTACHMENTS

Схема запчастей Case DV201 - (12-170/124[03]) - CHASSIS (GROUP 170/124) (09) - CHASSIS/ATTACHMENTS
10
26
22
31
9
24
31
44
33
4
43
23
21
31
17
34
12
12-50/12(01)
13
25
18
36
20
31
29
5
43
35
41
32
24
42
28
1
30
40
11
16
19
26
33
2
39
34
FIT
1:1
100%

Артикул

Название

Примечание

Количество

(ND109226) (ACCESSORY OF FRAME) (GROUP 170/124)

1шт.

1

ND121514

COVER

1шт.

2

ND109227

VENTILATION PIPE

1шт.

4

ND109273

COVER

1шт.

5

ND112224

STEEL PLATE

PLATE

1шт.

9

ND108419

ROD

1шт.

10

ND108426

PIN

1шт.

11

ND111464

PIN ASSY.

1шт.

12

ND111876

SUPPORT

HOLDER

1шт.

13

ND109230

RETAINER

1шт.

16

ND110887

SEAL

1шт.

17

ND102271

TAPE

1шт.

18

ND062411

PLUG

1шт.

19

ND029381

SPLIT PIN

1шт.

20

ND107966

SHOCK ABSORBER

4шт.

21

ND073356

PACKING RING

1шт.

22

ND021196

BOLT

1шт.

23

ND021286

BOLT

9шт.

24

ND021293

BOLT

6шт.

25

ND021710

STUD

16шт.

26

ND021847

NUT

17шт.

28

ND021303

BOLT

4шт.

29

ND024228

BOLT

4шт.

30

ND029250

WASHER

4шт.

31

ND029248

WASHER

30шт.

32

ND029249

WASHER

2шт.

33

ND029253

WASHER

2шт.

34

ND029309

SPRING WASHER

5шт.

35

ND029311

WASHER

1шт.

36

ND106910

STRAP

1шт.

39

ND109098

INDICATOR

Support

1шт.

40

ND109525

RUBBER

1шт.

41

ND110791

WASHER

2шт.

42

ND063144

CLAMP

1шт.

43

ND117469

WASHER

WASHER

2шт.

44

ND121012

COVER

1шт.

Выбрано товаров: 0