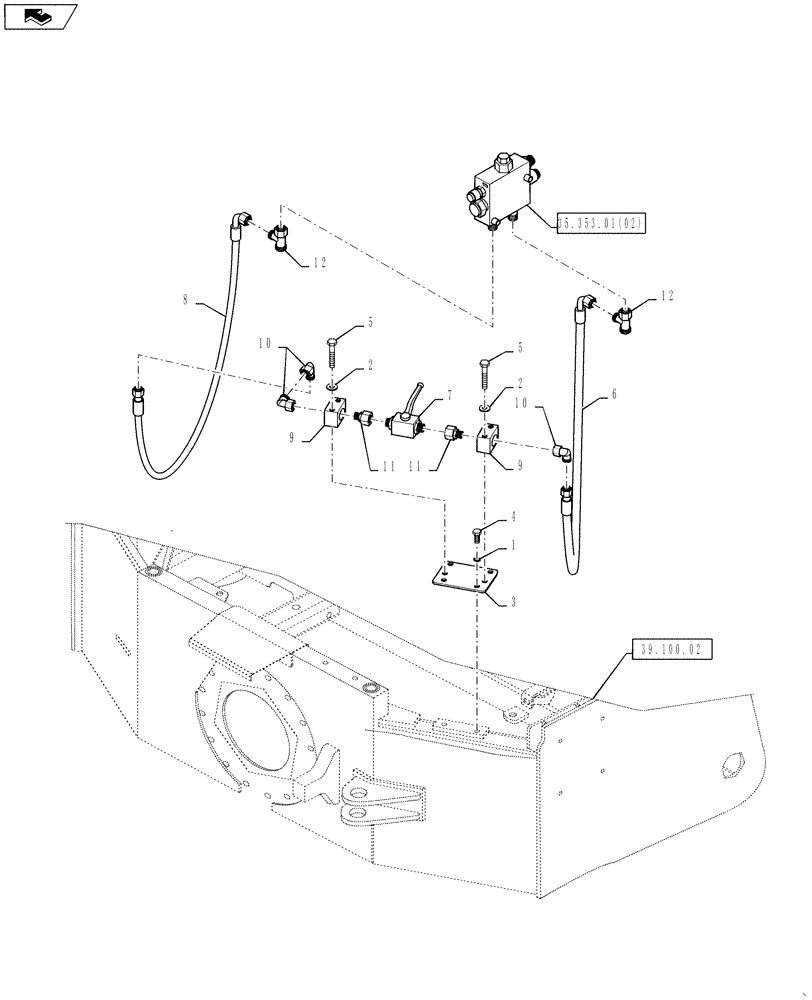
Запчасти Case DV207 (33.202.01) - BRAKE RELEASE (33) - BRAKES & CONTROLS

Схема запчастей Case DV207 - (33.202.01) - BRAKE RELEASE (33) - BRAKES & CONTROLS
5
9
3
2
11
home
1
10
5
35.353.01(02)
2
12
12
10
7
39.100.02
4
6
11
8
9
FIT
1:1
100%

Артикул

Название

Примечание

Количество

1

ND035940

SPRING WASHER

2шт.

2

ND029248

WASHER

4шт.

3

ND142998

BRACKET

BRACKET

1шт.

4

ND021293

BOLT

2шт.

5

ND024237

BOLT

4шт.

6

ND145839

HYDRAULIC HOSE

1шт.

7

ND101366

HYDRAULIC VALVE

1шт.

8

ND145838

HYDRAULIC HOSE

1шт.

9

ND064800

CLAMP

2шт.

10

ND062366

ELBOW

3шт.

11

ND125535

REDUCER FITTING

2шт.

12

ND142965

TEE

2шт.

Выбрано товаров: 12