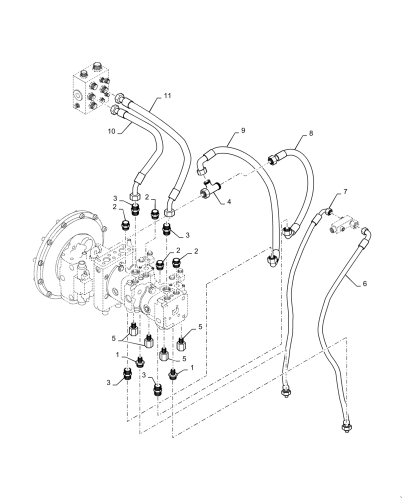
Запчасти Case DV209C (35.995.AB[05]) - DRUM VIBRATION HYDRAULIC LINES, HIGH FREQUENCY BSN SER#NFNTR2036 (35) - HYDRAULIC SYSTEMS

Схема запчастей Case DV209C - (35.995.AB[05]) - DRUM VIBRATION HYDRAULIC LINES, HIGH FREQUENCY BSN SER#NFNTR2036 (35) - HYDRAULIC SYSTEMS
3
10
7
9
5
11
3
6
5
8
2
2
4
1
2
5
1
3
2
3
FIT
1:1
100%

Артикул

Название

Примечание

Количество

1

ND062158

HYD CONNECTOR

2шт.

2

47766669

HYD CONNECTOR

, Serial Range: -NENTR2016

4шт.

2

ND062228

HYD CONNECTOR

, Start Serial: NENTR2017

4шт.

3

ND062144

FITTING

4шт.

4

ND062263

TEE

1шт.

5

47621778

COUPLING

4шт.

6

47766655

HYDRAULIC HOSE

, Serial Range: -NENTR2016

1шт.

6

47843892

HOSE

, Start Serial: NENTR2017

1шт.

7

47766660

HYDRAULIC HOSE

, Serial Range: -NENTR2016

1шт.

7

47843914

HOSE

, Start Serial: NENTR2017

1шт.

8

ND061427

HOSE

1шт.

9

47621780

HOSE

1шт.

10

47621783

HOSE

1шт.

11

47621787

HOSE

1шт.

Выбрано товаров: 0