Запчасти Case DV210C (55.405.BP) - LIGHT CONSOLE SWITCHS (55) - ELECTRICAL SYSTEMS

Схема запчастей Case DV210C - (55.405.BP) - LIGHT CONSOLE SWITCHS (55) - ELECTRICAL SYSTEMS
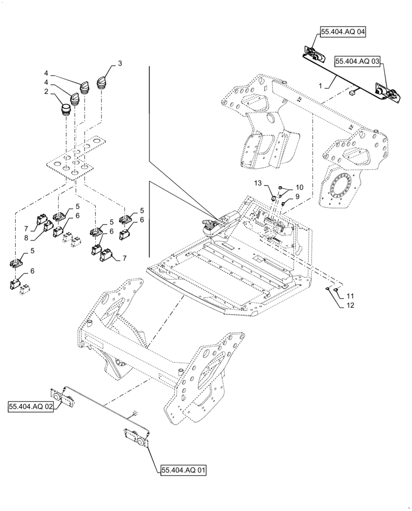
5
7
9
3
13
6
4
6
5
8
11
7
2
5
10
5
6
55.404.aq 04
55.404.aq 02
12
55.404.aq 01
1
6
4
55.404.aq 03
FIT
1:1
100%

Артикул

Название

Примечание

Количество

1

47618967

WIRE HARNESS

, Serial Range: -NFNTR2035

1шт.

1

47618967

WIRE HARNESS

, Serial Range: -NFNTL2013

1шт.

1

47905766

WIRE HARNESS

, Start Serial: NFNTR2036

1шт.

1

47905766

WIRE HARNESS

, Start Serial: NFNTL2014

1шт.

2

47619047

MECHANICAL SWITCH

Horn, Serial Range: -NFNTR2035

1шт.

2

47619047

MECHANICAL SWITCH

Horn, Serial Range: -NFNTL2013

1шт.

2

47905065

ROTARY SWITCH

, Start Serial: NFNTR2036

1шт.

2

47905065

ROTARY SWITCH

, Start Serial: NFNTL2014

1шт.

3

ND103379

BUTTON

1шт.

4

ND103421

KNOB

2шт.

5

ND120063

FLANGE

Connecting

4шт.

6

ND124175

CONTACT PLATE

7шт.

7

ND124174

CONTACT PLATE

2шт.

8

47619038

BULB

1шт.

9

47619040

RELAY

1шт.

10

ND065142

RELAY

2шт.

11

ND065922

FUSE,10A

10A

1шт.

12

ND065918

FUSE,7.5A

7.5A

1шт.

13

47619050

RELAY

1шт.

Выбрано товаров: 19