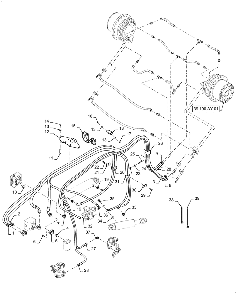
Запчасти Case DV210CD (35.995.AB[02]) - REAR, TIRE, HYD. LINE (35) - HYDRAULIC SYSTEMS

Схема запчастей Case DV210CD - (35.995.AB[02]) - REAR, TIRE, HYD. LINE (35) - HYDRAULIC SYSTEMS
26
2
19
20
37
8
23
39.100.ay 01
18
11
33
29
5
15
13
9
30
25
35
24
12
4
34
39
19
14
7
36
16
10
13
3
31
27
1
6
38
13
32
28
28
17
21
22
FIT
1:1
100%

Артикул

Название

Примечание

Количество

1

47889748

HOSE

1шт.

2

48072736

HYDRAULIC HOSE

1шт.

3

48072729

HYDRAULIC HOSE

1шт.

4

ND079933

O-RING

1шт.

5

ND062008

HALF-COLLAR

2шт.

6

ND024259

BOLT

4шт.

7

ND062367

HYD CONNECTOR

1шт.

8

48072726

HYDRAULIC HOSE

1шт.

9

48072731

HYDRAULIC HOSE

1шт.

10

ND062447

PLUG

1шт.

11

47623655

HOLDER

6шт.

12

48072725

SHIELD

1шт.

13

ND029248

WASHER

10шт.

14

ND021286

BOLT

6шт.

15

48072720

HOLDER

1шт.

16

ND021847

NUT

2шт.

17

ND021289

BOLT

2шт.

18

48072724

HOLDER

1шт.

19

ND062140

HYD CONNECTOR

2шт.

20

ND064820

SLEEVE

1шт.

21

ND064822

COVER

1шт.

22

ND111018

BOLT

1шт.

23

ND024301

BOLT

1шт.

24

ND029249

WASHER

1шт.

25

48072747

STUD

1шт.

26

48072721

HOLDER

1шт.

27

48072733

HYDRAULIC HOSE

1шт.

28

48072739

HYDRAULIC HOSE

1шт.

29

ND021296

BOLT

1шт.

30

ND064807

CLAMP

1шт.

31

ND064849

SLEEVE

1шт.

32

47923925

HOSE

1шт.

33

ND062155

HYD CONNECTOR

1шт.

34

ND073365

PACKING RING

2шт.

35

ND130567

BOLT

1шт.

36

47889745

HOSE

1шт.

37

ND062425

90 ELBOW

1шт.

38

47889325

CABLE TIE

17шт.

39

ND106910

STRAP

24шт.

Выбрано товаров: 39