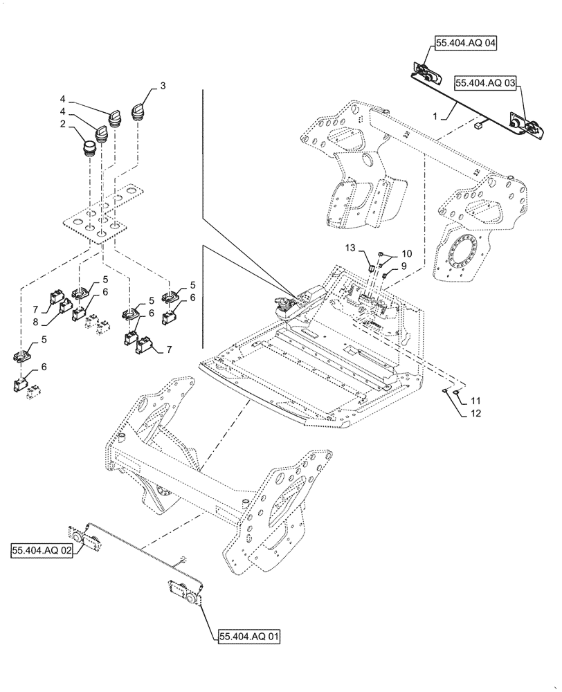
Запчасти Case DV210D (55.405.BP) - LIGHT CONSOLE SWITCHS (55) - ELECTRICAL SYSTEMS

Схема запчастей Case DV210D - (55.405.BP) - LIGHT CONSOLE SWITCHS (55) - ELECTRICAL SYSTEMS
55.404.aq 02
11
2
6
6
3
5
7
6
1
7
5
4
6
4
12
5
13
10
8
9
5
55.404.aq 04
55.404.aq 03
55.404.aq 01
FIT
1:1
100%

Артикул

Название

Примечание

Количество

1

47905766

WIRE HARNESS

1шт.

2

47905065

ROTARY SWITCH

1шт.

3

ND103379

BUTTON

1шт.

4

ND103421

KNOB

2шт.

5

ND120063

FLANGE

Connecting

4шт.

6

ND124175

CONTACT PLATE

7шт.

7

ND124174

CONTACT PLATE

2шт.

8

47619038

BULB

1шт.

9

47619040

RELAY

1шт.

10

ND065142

RELAY

2шт.

11

ND065922

FUSE,10A

10A

1шт.

12

ND065918

FUSE,7.5A

7.5A

1шт.

13

47619050

RELAY

1шт.

Выбрано товаров: 13