Запчасти Case DV210D (55.510.AN) - FRONT CAB HARNESSES (55) - ELECTRICAL SYSTEMS

Схема запчастей Case DV210D - (55.510.AN) - FRONT CAB HARNESSES (55) - ELECTRICAL SYSTEMS
1
2
3
4
FIT
1:1
100%

Артикул

Название

Примечание

Количество

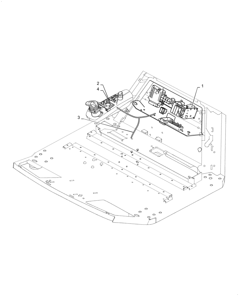
1

47889160

WIRE HARNESS

1шт.

2

47889161

WIRE HARNESS

1шт.

3

47889162

WIRE HARNESS

1шт.

4

47708443

WIRE HARNESS

1шт.

Выбрано товаров: 4