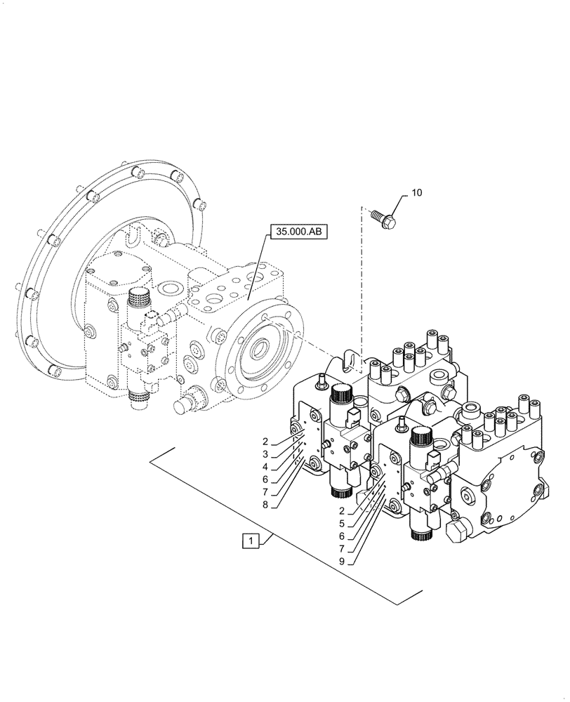
Запчасти Case DV210D (35.104.AA) - HYDRAULIC PUMP INSTALLATION (35) - HYDRAULIC SYSTEMS

Схема запчастей Case DV210D - (35.104.AA) - HYDRAULIC PUMP INSTALLATION (35) - HYDRAULIC SYSTEMS
35.000.ab
3
10
8
7
6
7
9
2
6
2
1
4
5
FIT
1:1
100%

Артикул

Название

Примечание

Количество

1

47914495

PUMP

Vibration, Incl 2 - 9

1шт.

2

48048057

SOLENOID

2шт.

3

48048058

VALVE

1шт.

4

48048060

ELEC CONNECTOR

1шт.

5

48048061

VALVE

1шт.

6

48048066

HOUSING

2шт.

7

48048068

ELEC CONNECTOR

2шт.

8

48048073

HYDRAULIC PUMP

1шт.

9

48048075

HYDRAULIC PUMP

1шт.

10

ND119917

BOLT

2шт.

Выбрано товаров: 10