Запчасти Case DV213 (35.752.01) - HYDRAULIC COOLING (GROUP 370-ND135215) (35) - HYDRAULIC SYSTEMS

Схема запчастей Case DV213 - (35.752.01) - HYDRAULIC COOLING (GROUP 370-ND135215) (35) - HYDRAULIC SYSTEMS
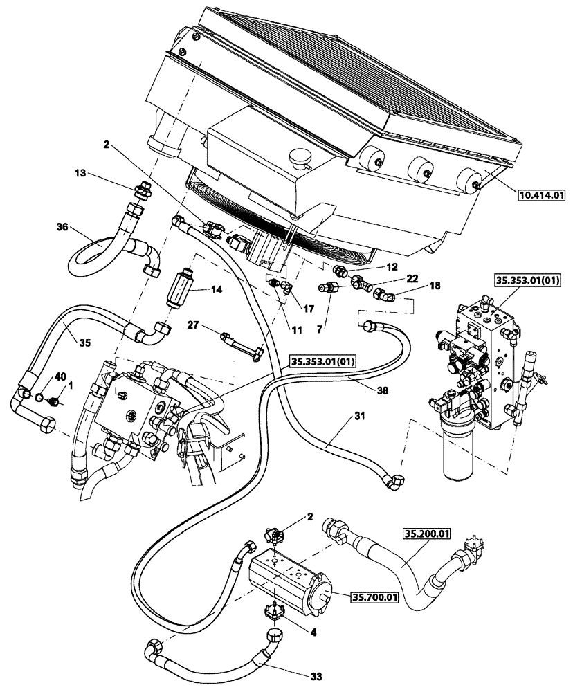
2
14
4
35.353.01(01)
36
35.200.01
1
31
18
35
7
27
12
17
22
10.414.01
33
38
13
35.353.01(01)
40
35.700.01
11
2
FIT
1:1
100%

Артикул

Название

Примечание

Количество

2

ND062506

FLANGE

2шт.

4

ND062396

FLANGE

1шт.

7

ND062281

HYD CONNECTOR

1шт.

11

ND062137

HYD CONNECTOR

1шт.

12

ND062181

HYD CONNECTOR

1шт.

13

ND062224

HYD CONNECTOR

1шт.

14

ND133353

HYD CONNECTOR

CONNECTOR, HYDRAULIC

1шт.

17

ND062425

90 ELBOW

ELBOW

1шт.

18

ND062367

HYD CONNECTOR

ELBOW

1шт.

22

ND062394

HYD CONNECTOR

TEE

1шт.

27

ND133427

HYDRAULIC HOSE

HOSE, HYDRAULIC

1шт.

31

ND133426

HYDRAULIC HOSE

HOSE, HYDRAULIC

1шт.

33

ND133425

HYDRAULIC HOSE

HOSE, HYDRAULIC

1шт.

35

ND133424

HYDRAULIC HOSE

HOSE, HYDRAULIC

1шт.

36

ND134646

HYDRAULIC HOSE

HOSE, HYDRAULIC

1шт.

38

ND133423

HYDRAULIC HOSE

HOSE, HYDRAULIC

1шт.

Выбрано товаров: 16