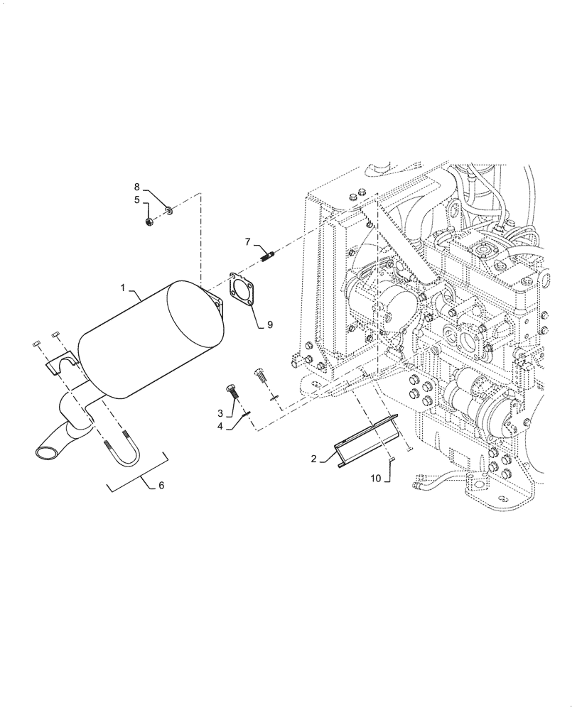
Запчасти Case DV23 (10.254.AD[01a]) - EXHAUST SYSTEM W/ MUFFLER - ASN NFNTT0186 (10) - ENGINE

Схема запчастей Case DV23 - (10.254.AD[01a]) - EXHAUST SYSTEM W/ MUFFLER - ASN NFNTT0186 (10) - ENGINE
7
3
4
1
8
2
10
5
9
6
FIT
1:1
100%

Артикул

Название

Примечание

Количество

1

47386079

MUFFLER

1шт.

2

47386080

BRACKET

1шт.

3

ND021295

BOLT

12шт.

4

47385460

LOCK WASHER

27шт.

5

47381179

NUT

9шт.

6

47386081

CLAMP

1шт.

7

47386084

STUD

4шт.

8

47381200

WASHER

7шт.

9

47419940

GASKET

Engine Exhuast

1шт.

10

47421127

NUT

2шт.

Выбрано товаров: 10